GM Service Manual Online
For 1990-2009 cars only
Makes
🢒
Cadillac
🢒
2005
🢒
DeVille
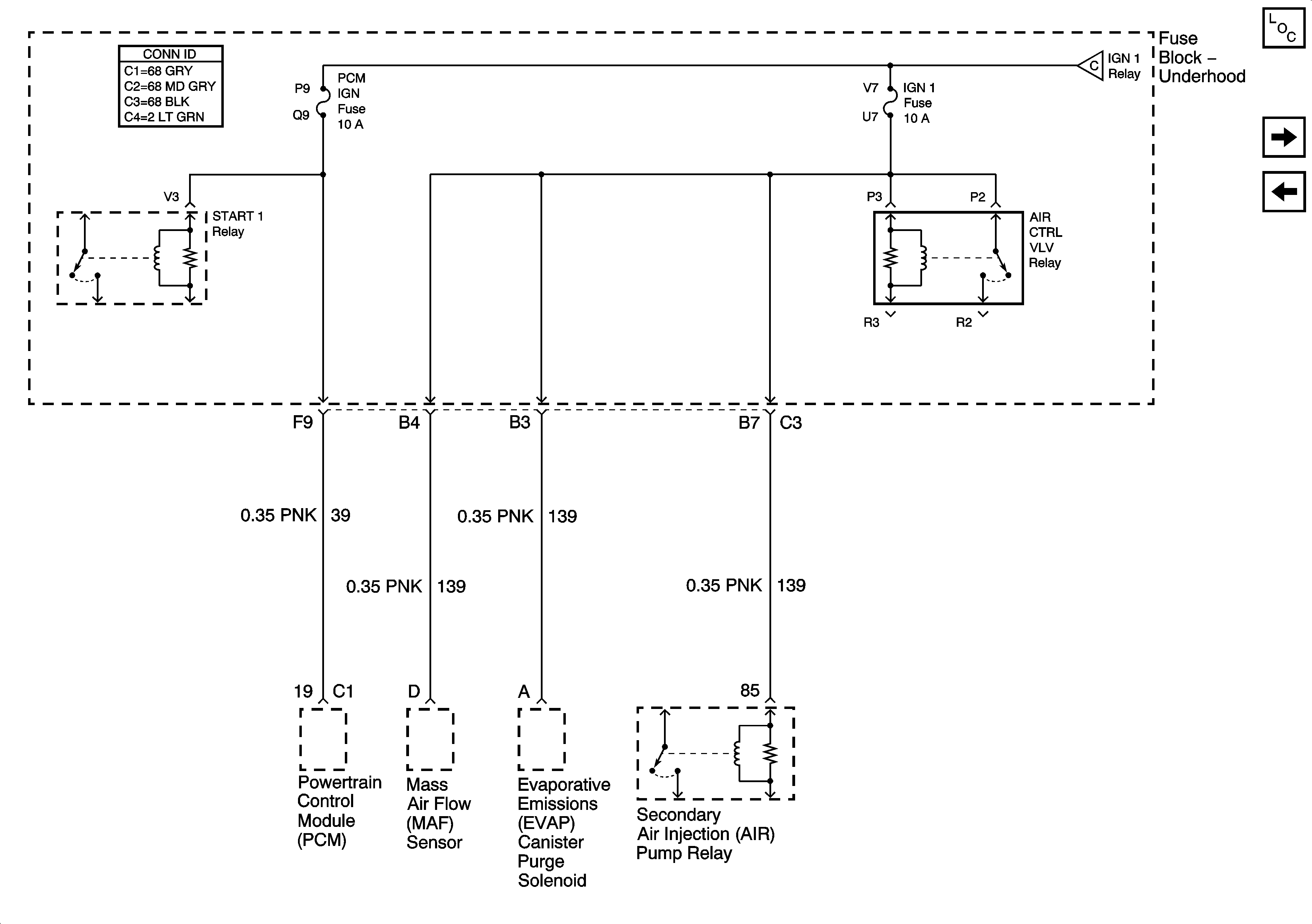
🢒 PCM IGN and IGN1 Fuses
PCM IGN and IGN1 Fuses
PCM IGN and IGN 1 Fuses
Master Electrical Component List
ACCY, WSW, HDLO BMR, HDLO BML, HDHI BML, and HDHI BMR Fuses and ACCY, HDLP LO BM, and HDLP HI BM Relays
INJR 1 and INJR 2 Fuses
OXY SEN, CR CONT, and TRANS Fuses