GM Service Manual Online
For 1990-2009 cars only
Makes
🢒
Cadillac
🢒
2005
🢒
DeVille
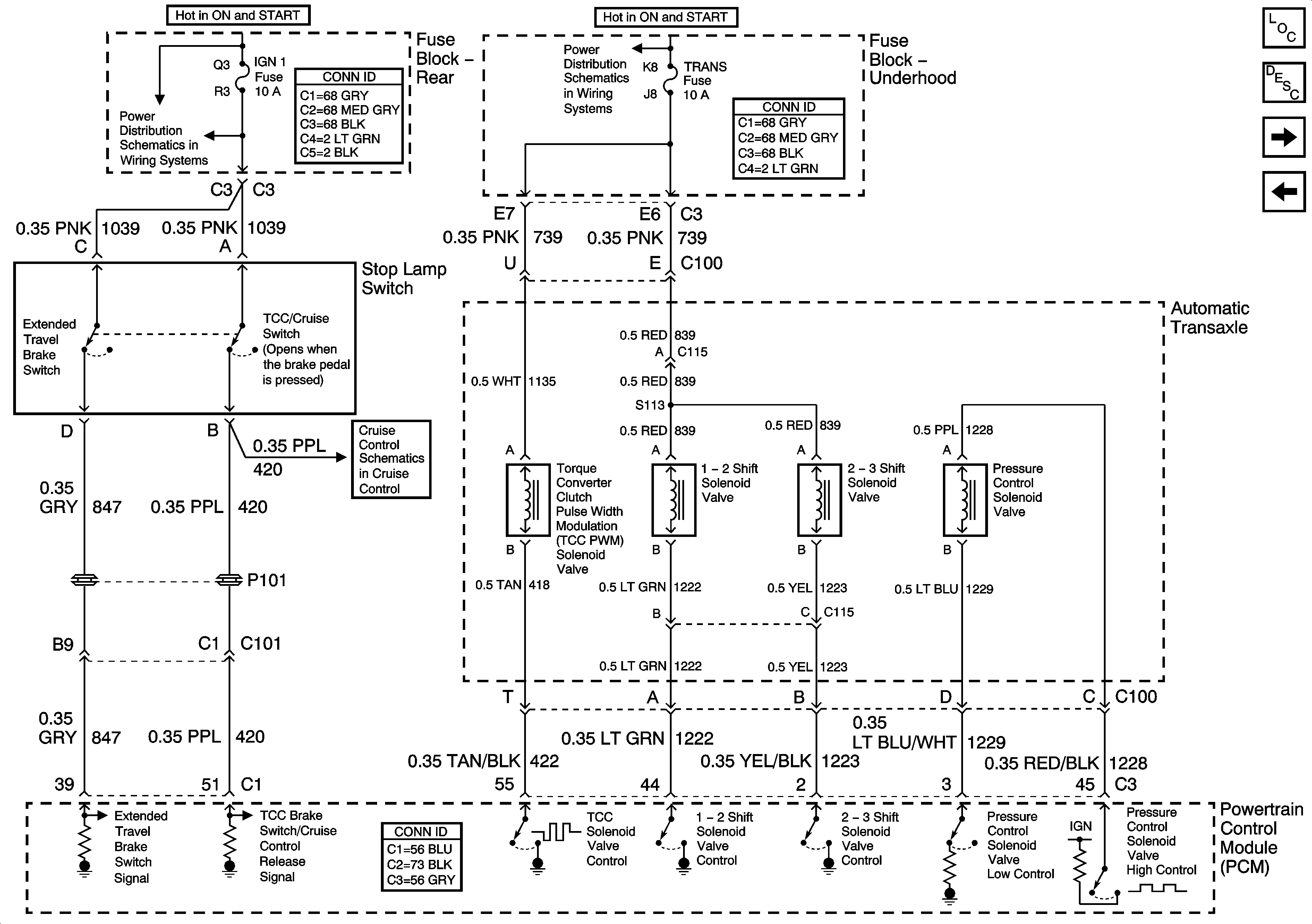
🢒 Solenoids and Stop Lamp Switch
Solenoids and Stop Lamp Switch
Stop Lamp Switch and Transaxle Solenoids
Master Electrical Component List
Electronic Component Description
Sensors
PCM Power and Ground
SIR, VENT SOL, and IGN 1 Fuse and IGN 1 Relay
OXY SEN, CR CONT, and TRANS Fuses
Switches and CCM Power and Gruond