GM Service Manual Online
For 1990-2009 cars only
Makes
🢒
Cadillac
🢒
2005
🢒
DeVille
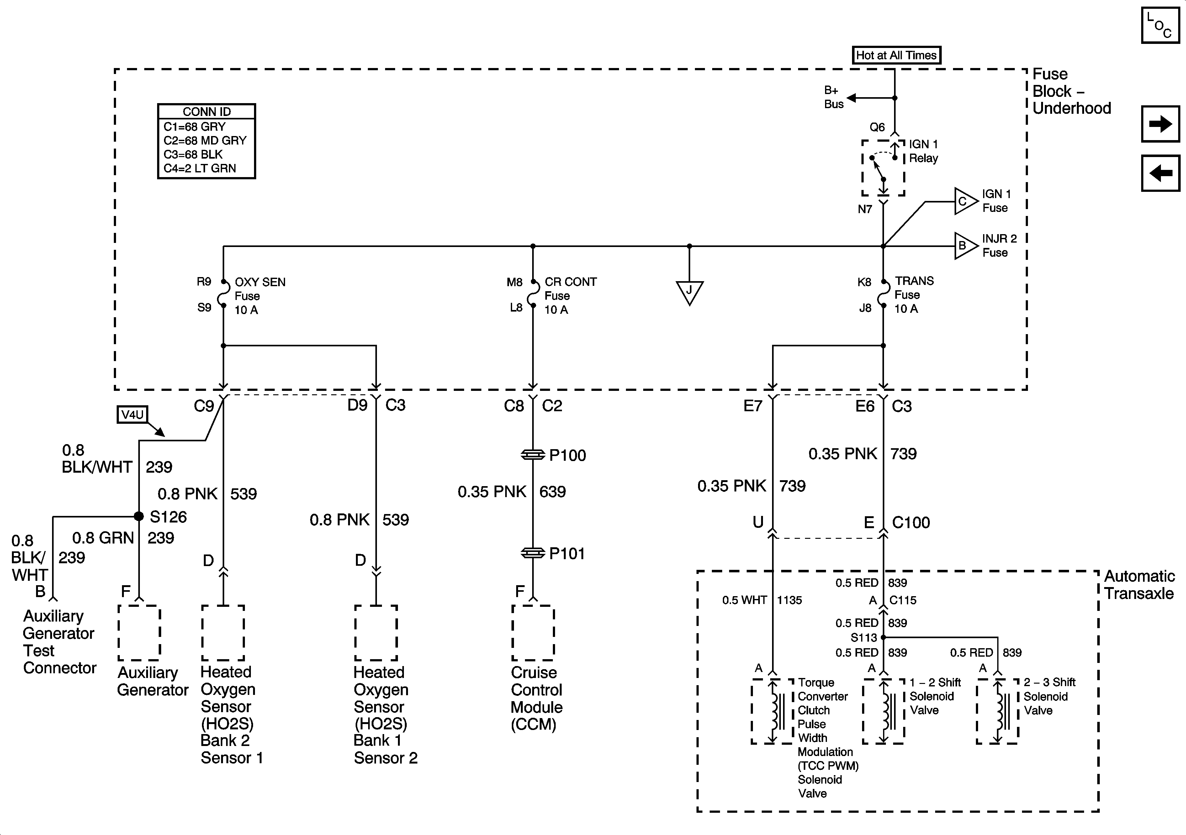
🢒 OXY SEN, CR CONT, and TRANS Fuses
OXY SEN, CR CONT, and TRANS Fuses
OXY SEN, CR CONT, and TRANS Fuses
Master Electrical Component List
COIL MDL Fuse
Driver and Passenger Defog Circuit Breakers (WC2/WC8)
INJR 1 and INJR 2 Fuses
PCM IGN and IGN1 Fuses
Rear Fuse Block Battery Voltage
COIL MDL Fuse