GM Service Manual Online
For 1990-2009 cars only
Makes
🢒
Cadillac
🢒
2005
🢒
DeVille
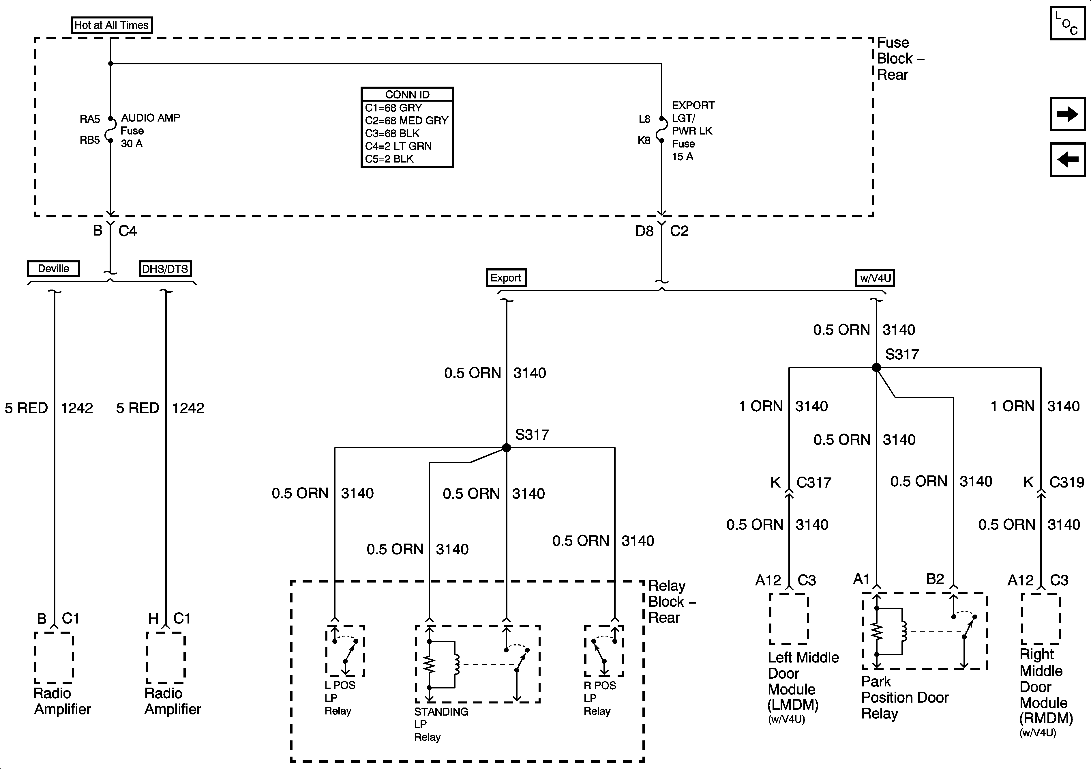
🢒 AUDIO AMP and EXPORT LTG/PWR LK Fuses
AUDIO AMP and EXPORT LTG/PWR LK Fuses
AUDIO AMP and EXPORT LTG/PWR LK Fuses
Master Electrical Component List
PWR WDO Circuit Breaker
HVAC BLO, DRV MDL, PASS MDL, PWR TT, HTDST LR, HTDST RR, HTDST RF, and DIM Fuses