GM Service Manual Online
For 1990-2009 cars only
Makes
🢒
Cadillac
🢒
2005
🢒
DeVille
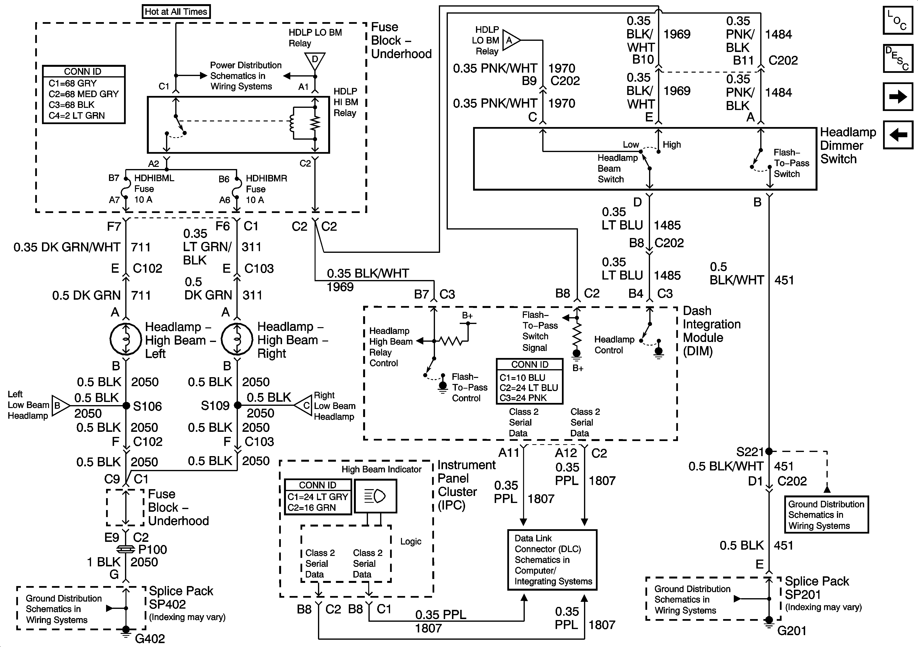
🢒 High Beam Headlamps (Domestic)
High Beam Headlamps (Domestic)
High Beam Headlamps (Domestic)
Master Electrical Component List
Exterior Lighting Systems Description and Operation
Headlamp Switch (Export)
Low Beam Headlamps (Domestic)
ACCY, WSW, HDLO BMR, HDLO BML, HDHI BML, and HDHI BMR Fuses and ACCY, HDLP LO BM, and HDLP HI BM Relays
Low Beam Headlamps (Domestic)
Low Beam Headlamps (Domestic)
Low Beam Headlamps (Domestic)
Low Beam Headlamps (Domestic)
G402 - 2 of 2
Class 2 Serial Data (1 of 3)
G201 - 1 of 3
G201 - 1 of 3