GM Service Manual Online
For 1990-2009 cars only
Makes
🢒
Cadillac
🢒
2005
🢒
DeVille
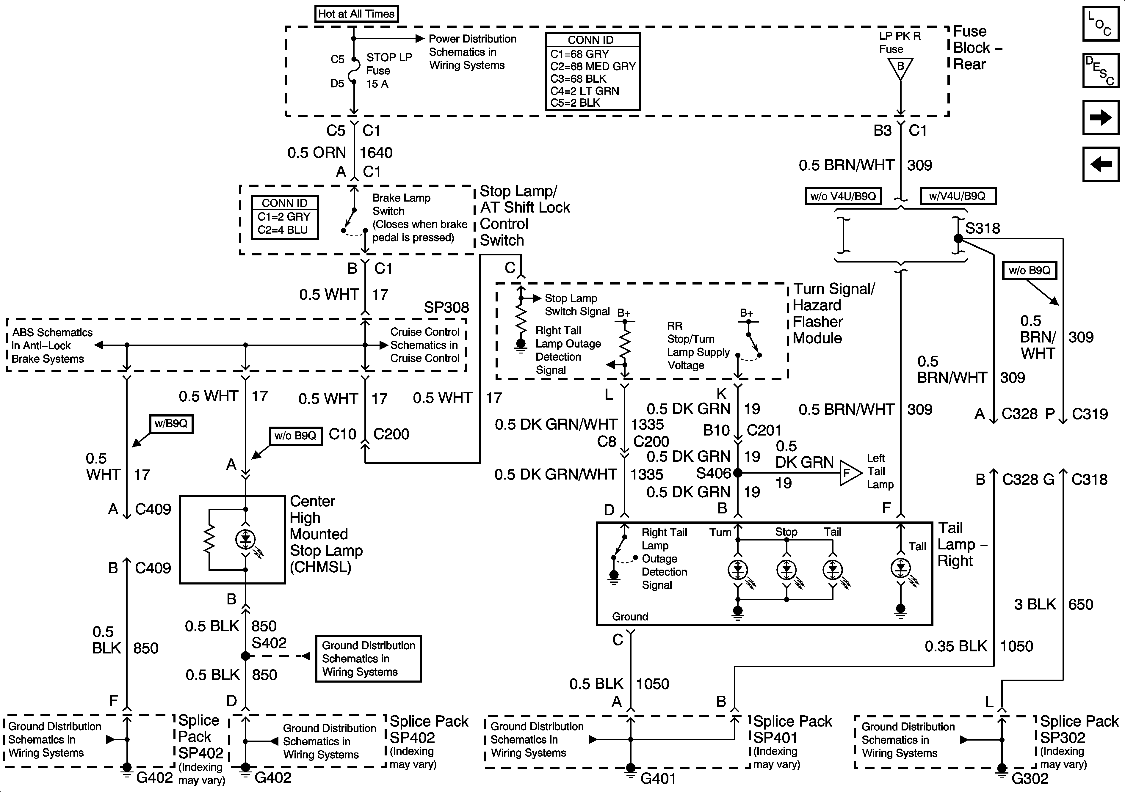
🢒 Right Tail Lamp and Center High Mounted Stop Lamp
Right Tail Lamp and Center High Mounted Stop Lamp
Right Tail Lamp and Center High Mounted Stop Lamp (CHMSL)
Master Electrical Component List
Exterior Lighting Systems Description and Operation
Left Tail Lamp
Turn Signal/Flasher Module and Hazard Switch
RR BLO, RRDR MDL, HVAC BAT, STOP LP, IGN SW, and TSIG/HAZ Fuses
Headlamp Switch and Park Lamp Relay
EBCM Power and Ground, Stop Lamp Switch, and BPMV
Cruise Control Module (CCM) Inputs
Left Tail Lamp
G402 - 1 of 2
G402 - 1 of 2
G402 - 1 of 2
G401
G302 - 1 of 3