GM Service Manual Online
For 1990-2009 cars only

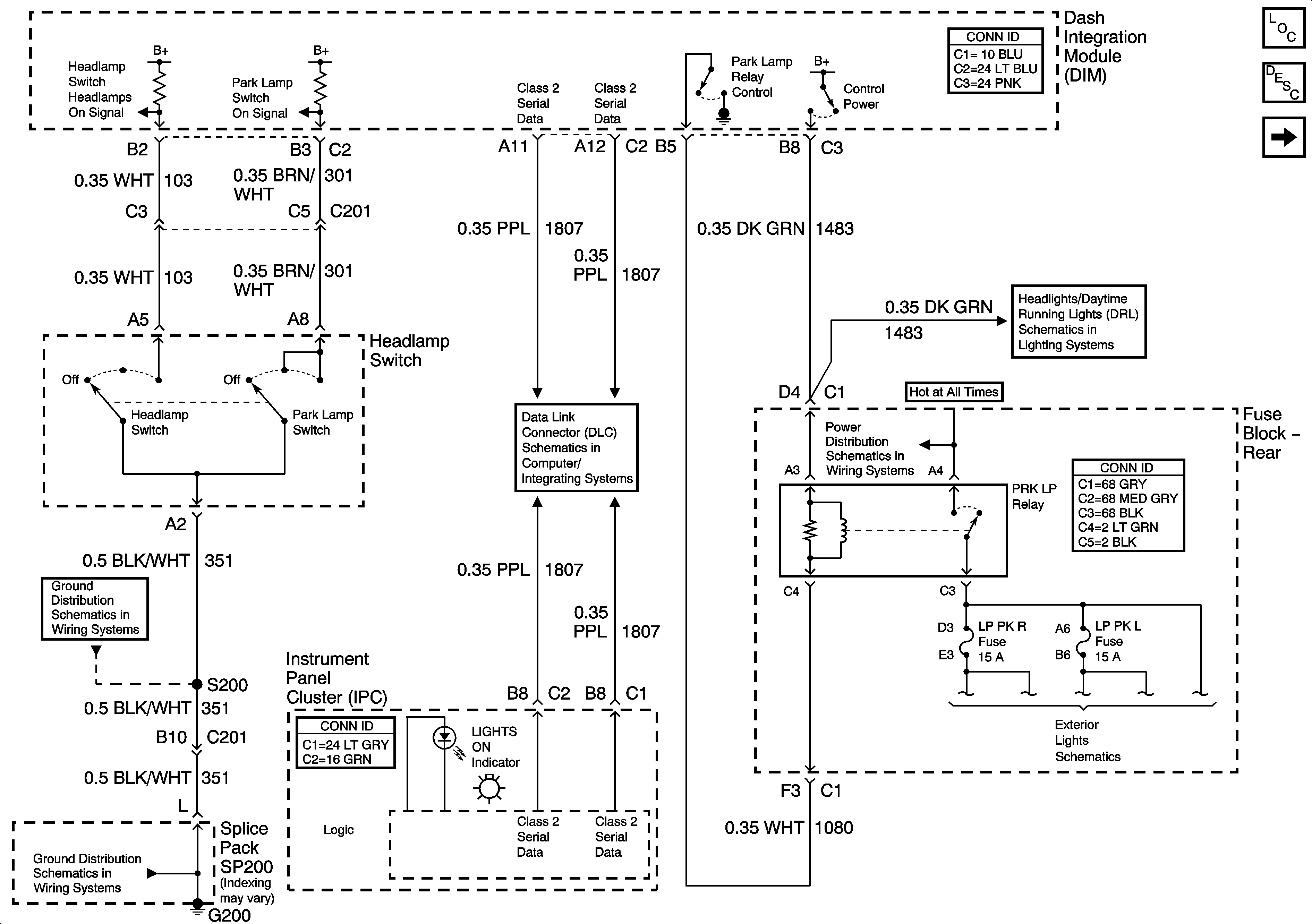
Headlamp Switch and Park Lamp Relay

Headlamp Switch, Park Lamp Relay


Object Number: 1411939  Size: FS
Master Electrical Component List
Exterior Lighting Systems Description and Operation
Turn Signal/Flasher Module and Hazard Switch
G200
Class 2 Serial Data (1 of 3)
DIMR, LP PK R, and LP PK L Fuses and PRK LP Relay
Low Beam Headlamps (Domestic)
G200
Front Park/Turn and Side Marker Lamps
Right Tail Lamp and Center High Mounted Stop Lamp
Front Park/Turn and Side Marker Lamps
Left Tail Lamp
License and Cornering Lamps