GM Service Manual Online
For 1990-2009 cars only
Makes
🢒
Cadillac
🢒
2005
🢒
DeVille
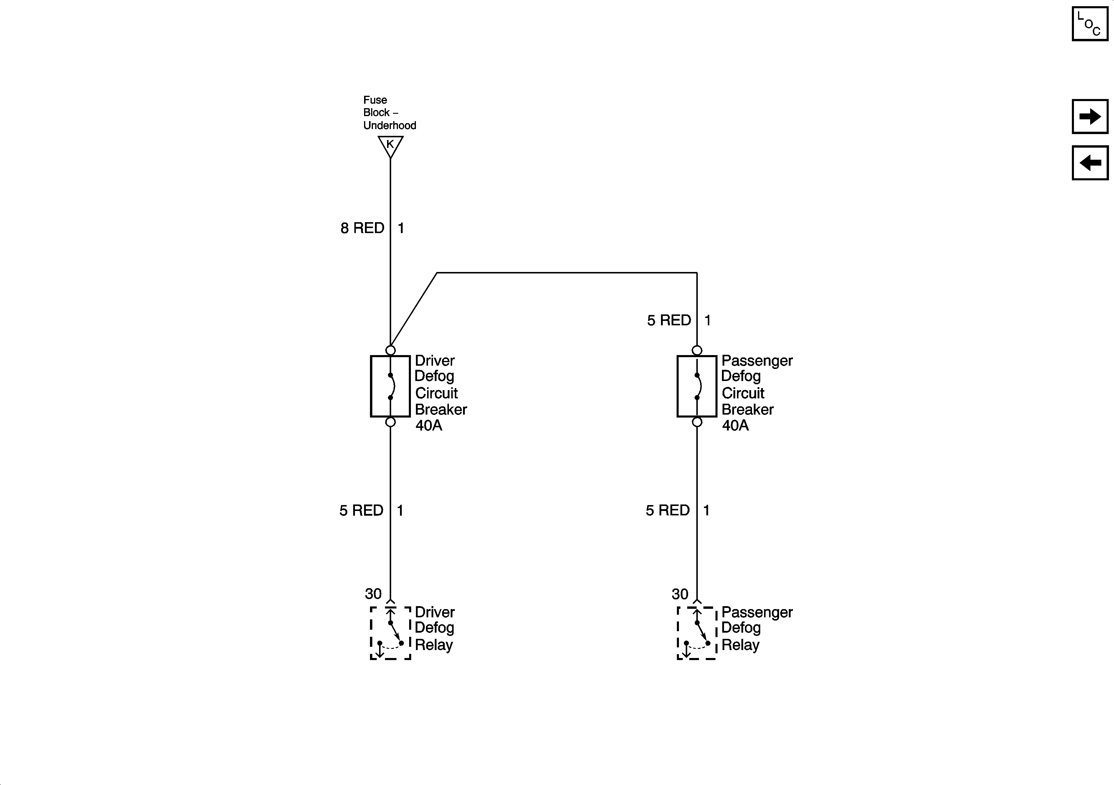
🢒 Driver and Passenger Defog Circuit Breakers (WC2/WC8)
Driver and Passenger Defog Circuit Breakers (WC2/WC8)
Driver and Passenger Defog Circuit Breakers (WC2/WC8)
Master Electrical Component List
OXY SEN, CR CONT, and TRANS Fuses
Underhood Fuse Block Battery Voltage
Underhood Fuse Block Battery Voltage