GM Service Manual Online
For 1990-2009 cars only
Makes
🢒
Cadillac
🢒
2005
🢒
DeVille
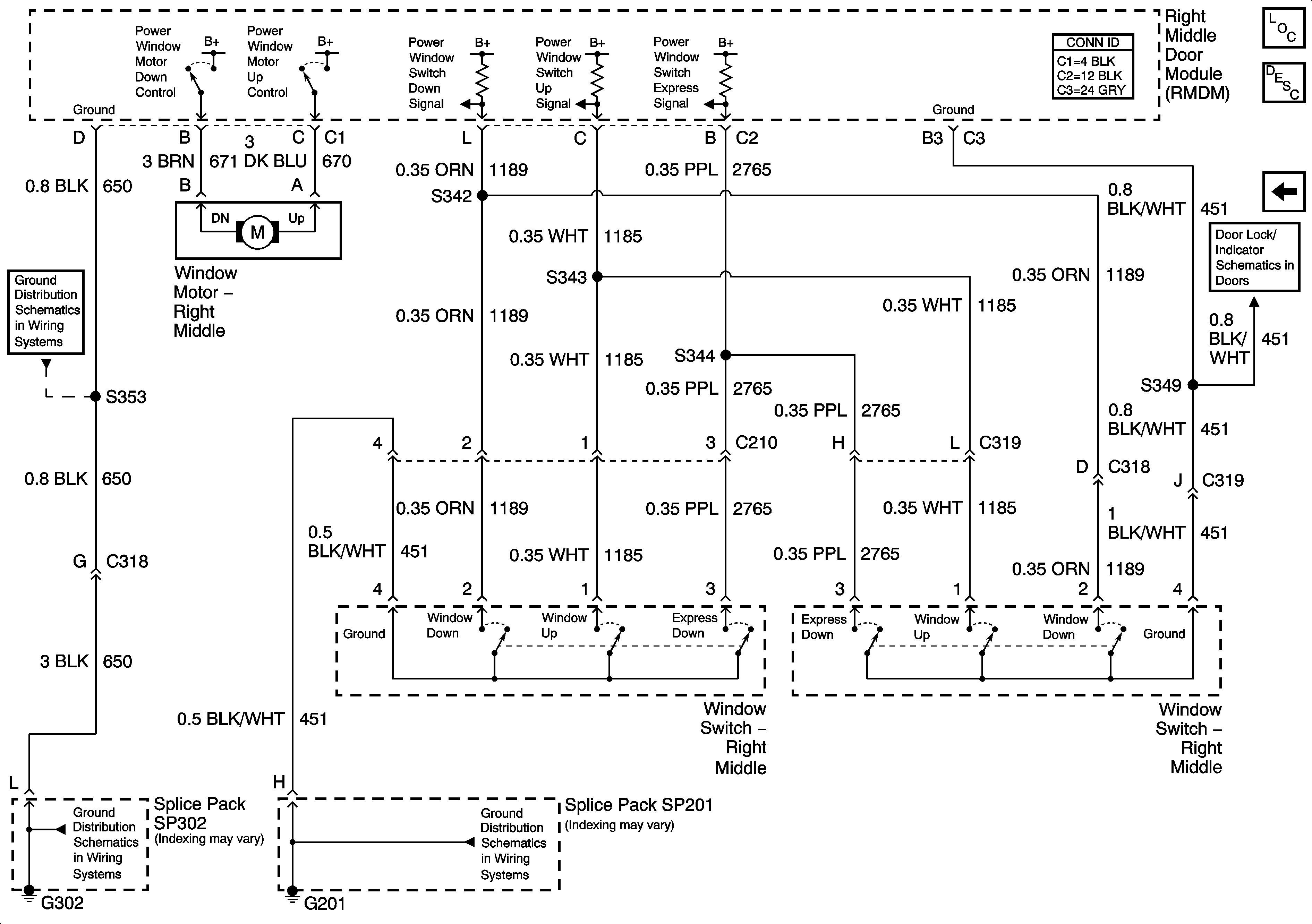
🢒 Right Middle Door Power Window (V4U)
Right Middle Door Power Window (V4U)
Right Middle Door Power Window (V4U)
Master Electrical Component List
Power Windows Description and Operation
Left Middle Door Power Window (V4U)
G302 - 3 of 3
Right Middle Door Power Door Lock (V4U)
G302 - 3 of 3
G201 - 3 of 3