GM Service Manual Online
For 1990-2009 cars only
Makes
🢒
Cadillac
🢒
2005
🢒
DeVille
🢒 Power Lumbar Seat
Power Lumbar Seat
Power Lumbar Seat
Master Electrical Component List
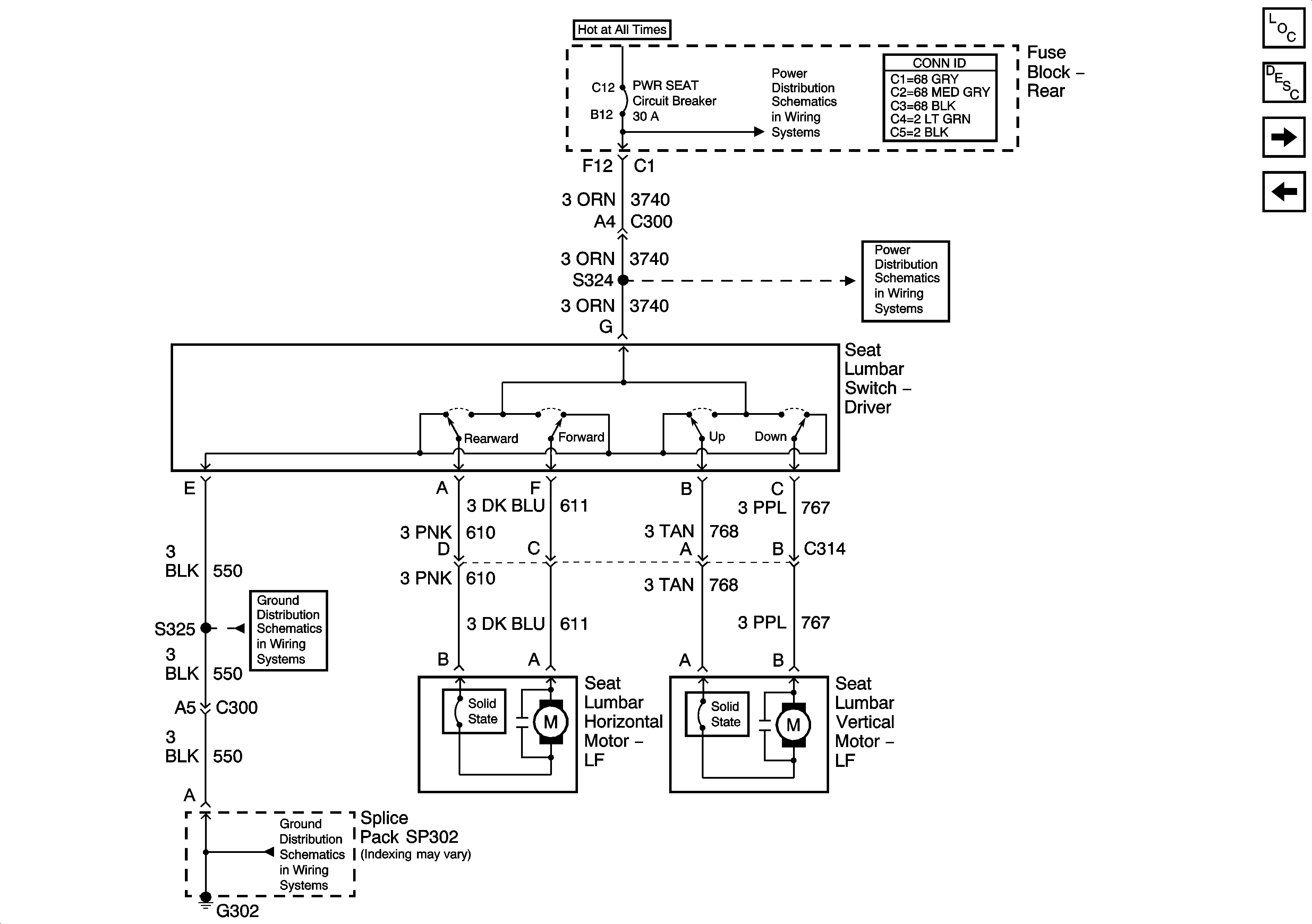
Lumbar Support Description and Operation w/o Memory-A45
Massaging Lumbar Seat (AM3)
Power Seat
NAV Fuse and PWR SEAT Circuit Breaker
NAV Fuse and PWR SEAT Circuit Breaker
G302 - 2 of 3
G302 - 2 of 3