GM Service Manual Online
For 1990-2009 cars only
Makes
🢒
Cadillac
🢒
2005
🢒
DeVille
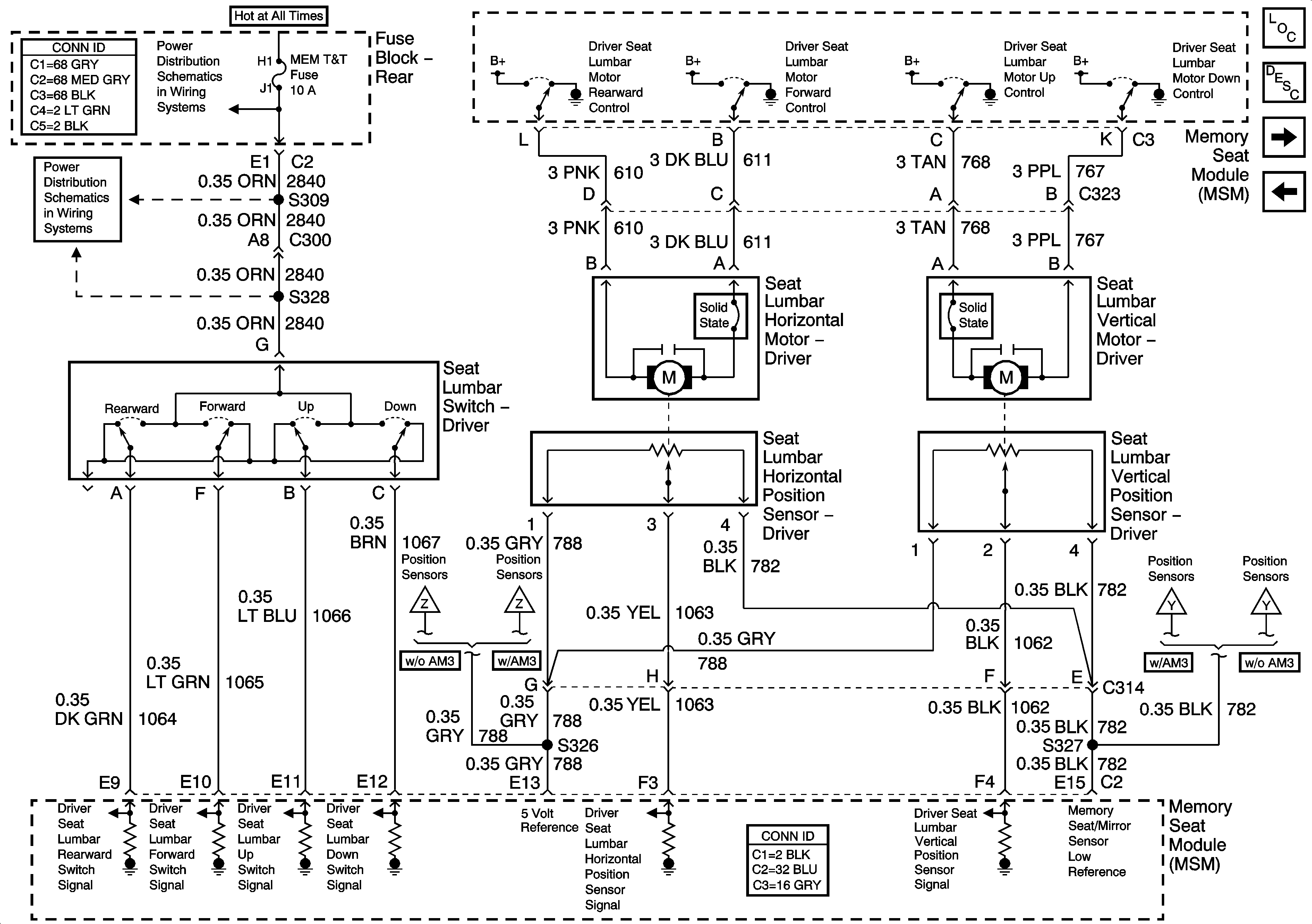
🢒 Memory Lumbar Seat (A45/AL2)
Memory Lumbar Seat (A45/AL2)
Memory Lumbar Seat (A45/AL2)
Master Electrical Component List
Lumbar Support Description and Operation with A45
Seat Switch w/ Memory Massaging Lumbar (A45/AM3)
Massaging Lumbar Seat (AM3)
MEM TT, RRLUM/PWR ANT, and HTDST LF Fuses
MEM TT, RRLUM/PWR ANT, and HTDST LF Fuses
Vertical and Horizontal Position Sensors (A45)
Position Sensors w/ Memory Massaging Lumbar (A45/AM3)
Position Sensors w/ Memory Massaging Lumbar (A45/AM3)
Vertical and Horizontal Position Sensors (A45)