GM Service Manual Online
For 1990-2009 cars only
Makes
🢒
Cadillac
🢒
2005
🢒
DeVille
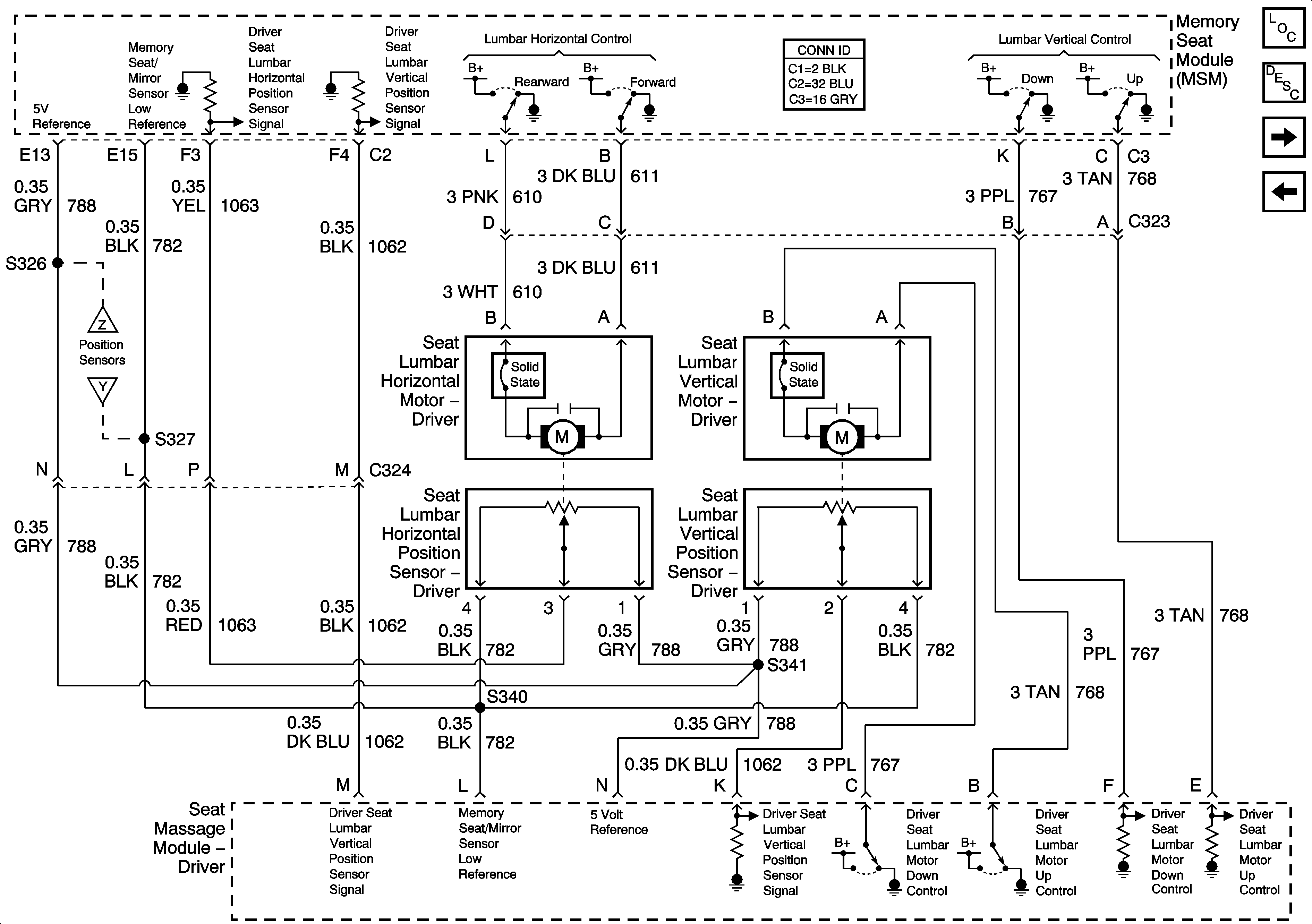
🢒 Position Sensors w/ Memory Massaging Lumbar (A45/AM3)
Position Sensors w/ Memory Massaging Lumbar (A45/AM3)
Position Sensors w/ Memory Massaging Lumbar (A45, AM3)
Master Electrical Component List
Lumbar Support Description and Operation Massaging Lumbar-AM3 with Memory-A45
Heated Seat Switch (KA1)
Seat Switch w/ Memory Massaging Lumbar (A45/AM3)
Memory Lumbar Seat (A45/AL2)