GM Service Manual Online
For 1990-2009 cars only
Makes
🢒
Cadillac
🢒
2000
🢒
Eldorado
🢒
Body and Accessories
🢒
Stationary Windows
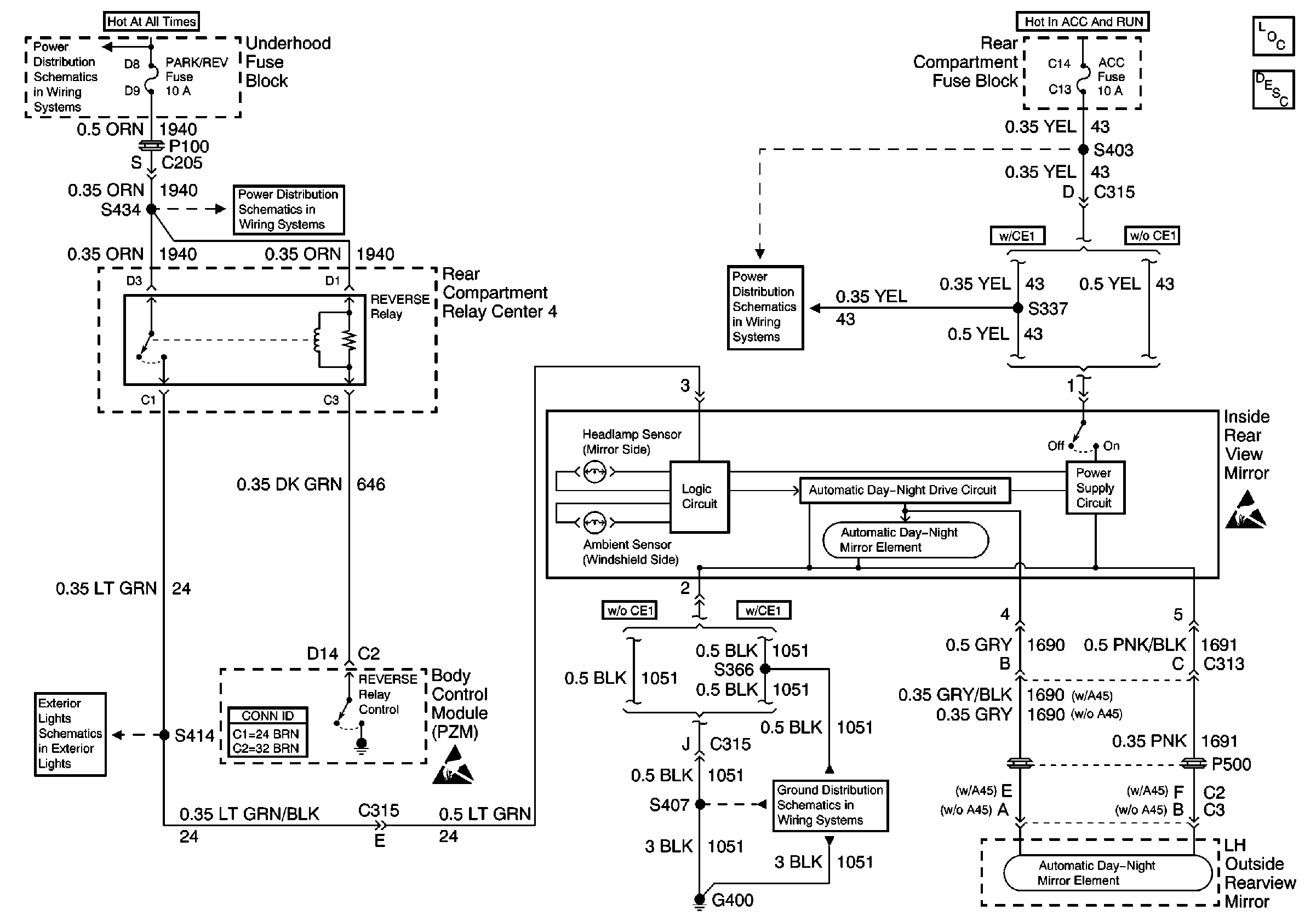
🢒 Automatic Day-Night Mirrors Schematics
Inside Rear View Mirror
Stationary Windows Components
Automatic Day-Night Mirrors Circuit Description
G400
Handling ESD Sensitive Parts Notice
Handling ESD Sensitive Parts Notice
CRUISE, DIS, and PCM (IGN) Fuses
ELC Fuse and Circuit Breaker
CRUISE, DIS, and PCM (IGN) Fuses
Backup Lamps
Body Control System Connector End Views