GM Service Manual Online
For 1990-2009 cars only
Makes
🢒
Cadillac
🢒
2000
🢒
Eldorado
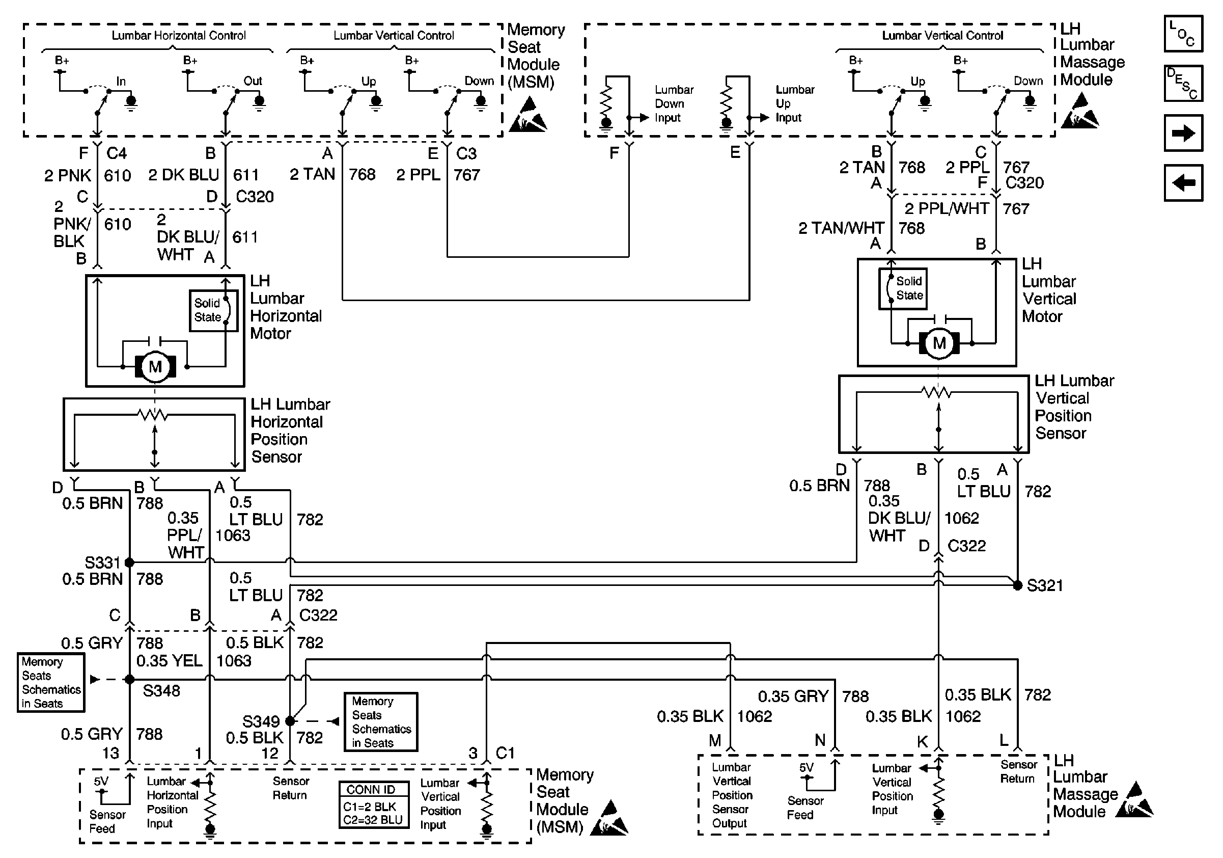
🢒 Left Lumbar Massage Motors and Sensors
Left Lumbar Massage Motors and Sensors
Lumbar Horizontal, and Lumbar Vertical Position Sensors and Motors
Power Seat Systems Components
Power Lumbar Circuit Description
Right Lumbar Massage Module
Left Lumbar Massage Module
Left Power Lumbar (AL2 with A45)
Left Power Lumbar (AL2 with A45)
Power Seat Connector End Views
Handling ESD Sensitive Parts Notice
Handling ESD Sensitive Parts Notice
Handling ESD Sensitive Parts Notice
Handling ESD Sensitive Parts Notice