GM Service Manual Online
For 1990-2009 cars only
Makes
🢒
Cadillac
🢒
2000
🢒
Eldorado
🢒 Seat Belt Switch and Seat Belt Indicator
Seat Belt Switch and Seat Belt Indicator
Seat Belt Switch and Seat Belt Indicator
Seat Belt Components
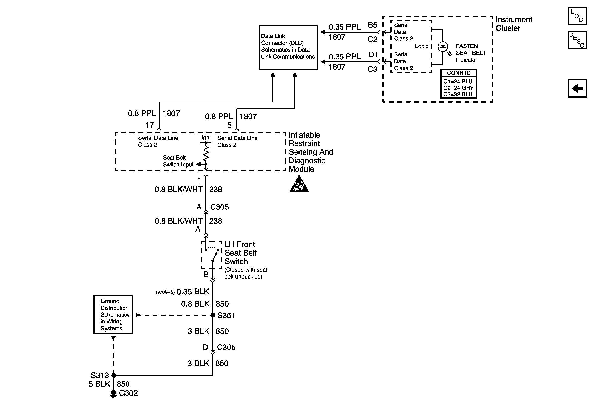
Seat Belt System Circuit Description
Seat Belt Retractor Actuators
Instrument Panel, Gages, and Console Connector End Views
SIR Handling Caution
Class 2 (2 of 2)
G302 (1 of 2)