GM Service Manual Online
For 1990-2009 cars only

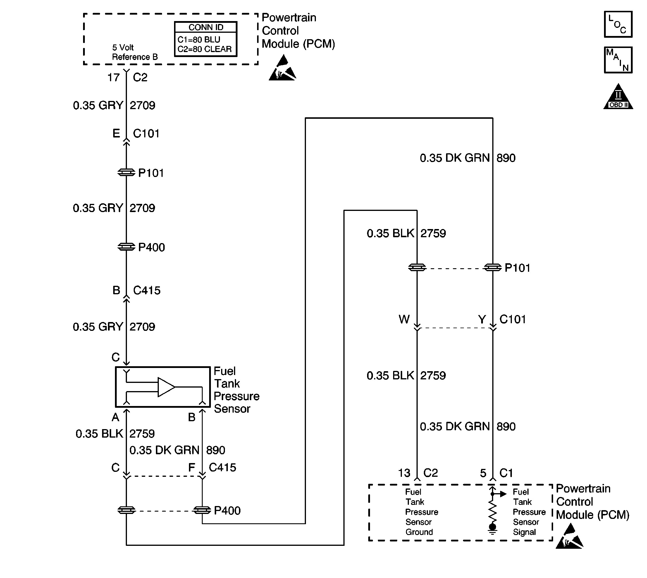
Object Number: 602206  Size: LF
Engine Controls Component Views
Engine and Fuel Tank Sensors
OBD II Symbol Description Notice
Handling ESD Sensitive Parts Notice
Handling ESD Sensitive Parts Notice

Circuit Description

The PCM uses the 5 Volt Reference B circuit to feed the fuel tank pressure sensor.

The PCM monitors the voltage on the 5 Volt Reference B circuit. If the voltage is outside an acceptable range, DTC P1639 will set.

Conditions for Running the DTC

The ignition switch is ON.

Conditions for Setting the DTC

    • The PCM detects a voltage out of range condition on the 5 Volt Reference B circuit.
    • The condition exists for less than 1 second.

Action Taken When the DTC Sets

    • The PCM illuminates the malfunction indicator lamp (MIL) during the second consecutive trip in which the diagnostic test runs and fails.
    • The PCM stores the conditions present when the DTC set as Freeze Frame/Failure Records data.

Conditions for Clearing the MIL/DTC

    • The PCM will turn the MIL OFF after the third consecutive trip in which the diagnostic runs and passes.
    • The history DTC will clear after 40 consecutive warm-up cycles have occurred without a malfunction.
    • The DTC can be cleared by using the scan tool Clear DTC Information function.

Diagnostic Aids

If the condition is intermittent, refer to Intermittent Conditions in Symptoms.

Test Description

The numbers below refer to the step numbers on the diagnostic table.

  1. If the scan tool displays 5 volt reference B fault, the 5.0 volt reference circuit is either shorted to ground or shorted to a voltage.

  1. This step determines if the fuel pump control circuit is causing the condition.

  2. Freeze Frame and/or Failure Records data may aid in locating an intermittent condition. If you cannot duplicate the DTC, the information included in the Freeze Frame and/or Failure Records data can help determine how many miles since the DTC set. The Fail Counter and Pass Counter can also help determine how many ignition cycles the diagnostic reported a pass and/or a fail. Operate the vehicle within the same freeze frame conditions (RPM, load, vehicle speed, temperature etc.) that you observed. This will isolate when the DTC failed.

  3. This step determines the location of the condition. If the scan tool displays 5 volt reference B OK, then the fault is isolated to the fuel tank pressure sensor, or jumper harness.

  4. This step determines if the 5 volt reference circuit is shorted to a ground.

  5. If the DMM displays 5 volts, inspect the fuel tank jumper harness for signs of damage.

Step

Action

Value(s)

Yes

No

1

Did you perform the Powertrain On Board Diagnostic (OBD) System Check?

--

Go to Step 2

Go to Powertrain On Board Diagnostic (OBD) System Check

2

  1. Install a scan tool.
  2. Monitor the 5 volt reference B parameter with the scan tool.

Does the scan tool display 5 volt reference B fault?

--

Go to Step 5

Go to Step 3

3

  1. Monitor the 5 volt reference B parameter with the scan tool.
  2. With a scan tool enable the fuel pump.

Does the 5 volt reference B display fault when the fuel pump is enabled?

--

Go to Step 12

Go to Step 4

4

  1. Turn ON the ignition with the engine OFF.
  2. Review the Freeze Frame and/or Failure Records data for this DTC and observe the parameters.
  3. Operate the vehicle within the conditions required for this diagnostic to run, and as close to the conditions recorded in the Freeze Frame/Failure Records as possible.
  4. Monitor the Diagnostic Trouble Code (DTC) information with a scan tool.

Does the scan tool indicate that this diagnostic failed this ignition?

--

Go to Step 5

Go to Intermittent Conditions

5

  1. Disconnect the Fuel Tank Pressure sensor jumper harness at connector C415.
  2. Observe the 5 volt reference B display with the scan tool.

Does the scan tool display 5 volt reference B as fault?

--

Go to Step 6

Go to Step 7

6

Probe the fuel tank pressure sensor 5 volt reference circuit at connector C415 with a test lamp connected to B+.

Does the test lamp illuminate?

--

Go to Step 8

Go to Step 9

7

  1. Connect the fuel tank pressure sensor connector C415.
  2. Lower the fuel tank to gain access to the fuel tank pressure sensor. Refer to Fuel Tank Replacement .
  3. Disconnect the fuel tank pressure sensor harness connector.
  4. Measure the voltage from the fuel tank pressure sensor 5 volt reference circuit. Refer to Circuit Testing in Wiring Systems.

Is the voltage near the specified value?

5V

Go to Step 10

Go to Step 11

8

Test the fuel tank pressure sensor 5 volt reference circuit for a short to ground between connector C415 and the PCM. Refer to Circuit Testing and Wiring Repairs in Wiring Systems.

Did you find and correct the condition?

--

Go to Step 15

Go to Step 14

9

Test the fuel tank pressure sensor 5 volt reference circuit for a short to voltage between connector C415 and the PCM. Refer to Circuit Testing and Wiring Repairs in Wiring Systems.

Did you find and correct the condition?

--

Go to Step 15

Go to Step 14

10

Inspect the fuel tank pressure sensor jumper harness for damage. Refer to Wiring Repairs in Wiring Systems.

Did you find and correct the condition?

--

Go to Step 15

Go to Step 13

11

Repair the 5 volt reference circuit for a short to voltage, or short to ground, between the sensor harness connector and connector C415. Refer to Circuit Testing and Wiring Repairs in Wiring Systems.

Is the action complete?

--

Go to Step 15

--

12

Repair the fuel tank pressure sensor 5 volt reference circuit for a short to the fuel pump control circuit. Refer to Wiring Repairs in Wiring Systems.

Is the action complete?

--

Go to Step 15

--

13

Replace the Fuel Tank Pressure sensor. Refer to Fuel Tank Pressure Sensor Replacement .

Is the action complete?

--

Go to Step 15

--

14

Important:: Program the replacement PCM. Refer to Powertrain Control Module Replacement/Programming .

Replace the PCM.

Is the action complete?

--

Go to Step 15

--

15

Operate the vehicle within the Conditions for Running the DTC as specified in the supporting text, if applicable.

Does the scan tool indicate that this test ran and passed?

--

Go to Step 16

Go to Step 2

16

Select the Capture Info option and the Review Info option with the scan tool.

Does the scan tool display any DTCs that you have not diagnosed?

--

Go to Diagnostic Trouble Code (DTC) List/Type

System OK