GM Service Manual Online
For 1990-2009 cars only
Figure 1:

Headlamp Dimmer Switch, Ambient Light Sensor, and Twilight Sentinel


Object Number: 715121  Size: FS
Master Electrical Component List
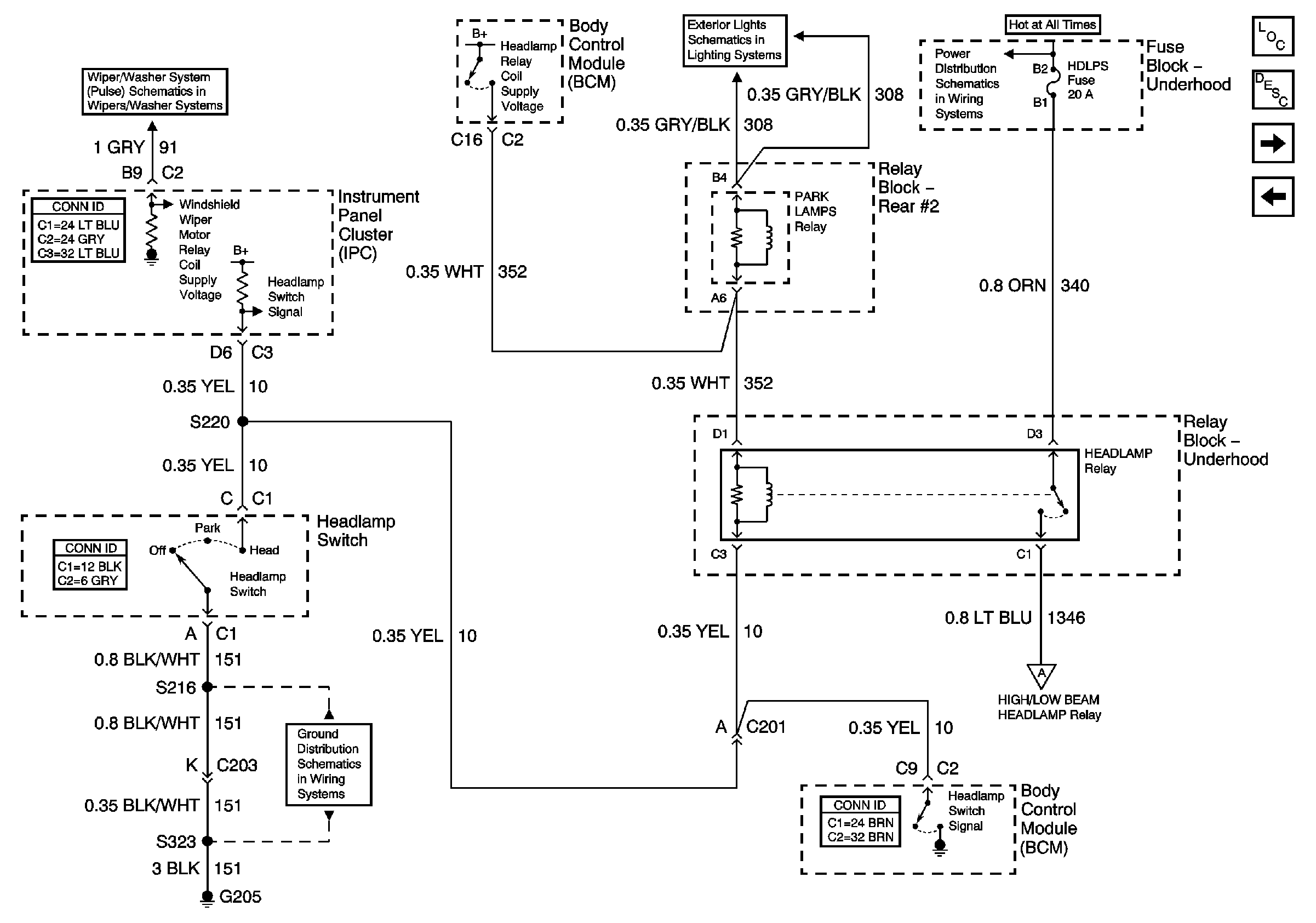
Headlamp Switch and Headlamp Control
G205
BODY 3 and INADVERT Fuses
BODY 3 and INADVERT Fuses
Battery Feeds
LAMPS and IGN 1 Fuses
MIRROR, DRL, and FOG Fuses
Figure 2:

Headlamp Switch and Headlamp Control


Object Number: 715130  Size: FS
Master Electrical Component List
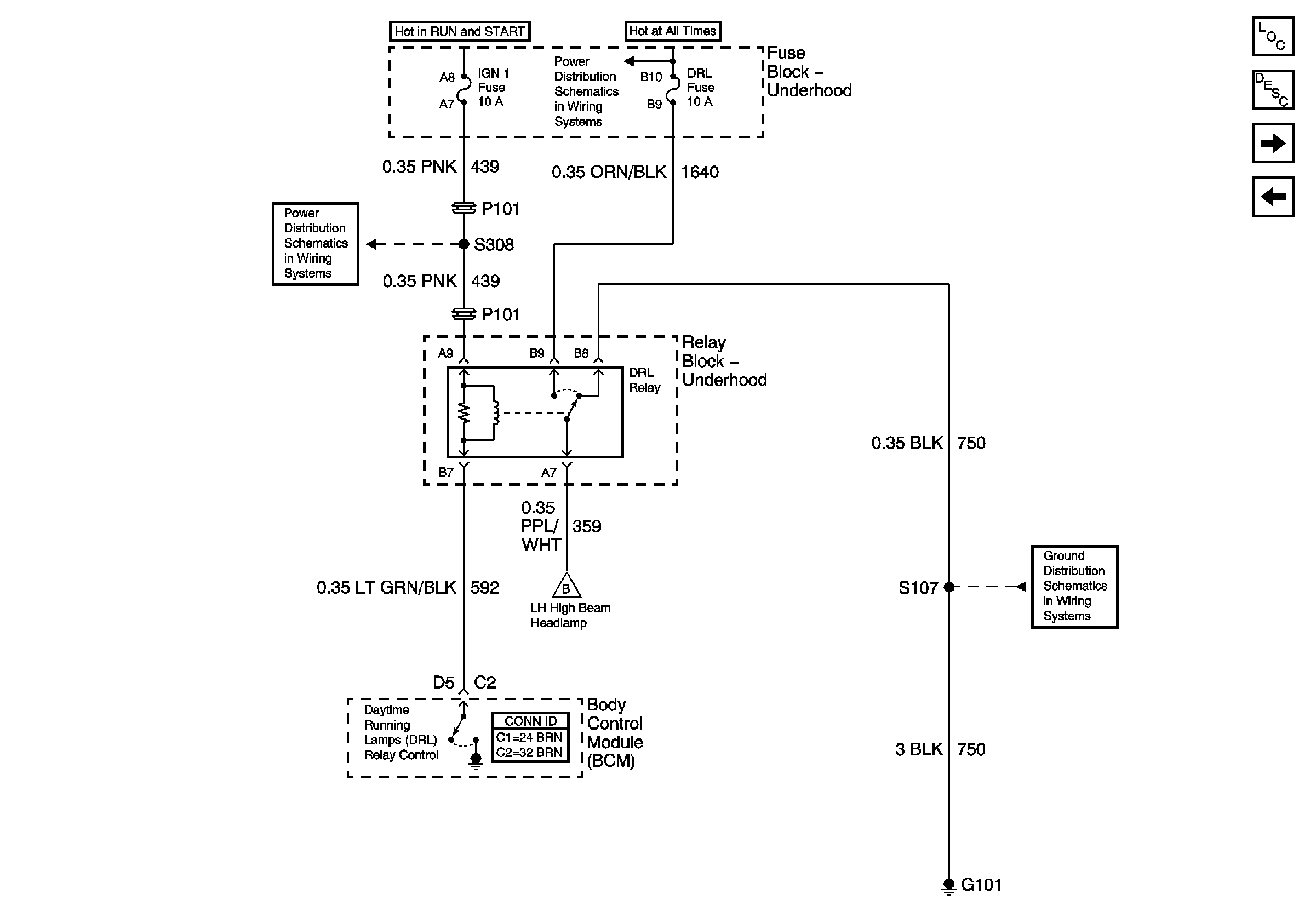
Daytime Running Lamps
Headlamp Dimmer Switch, Ambient Light Sensor, and Twilight Sentinel
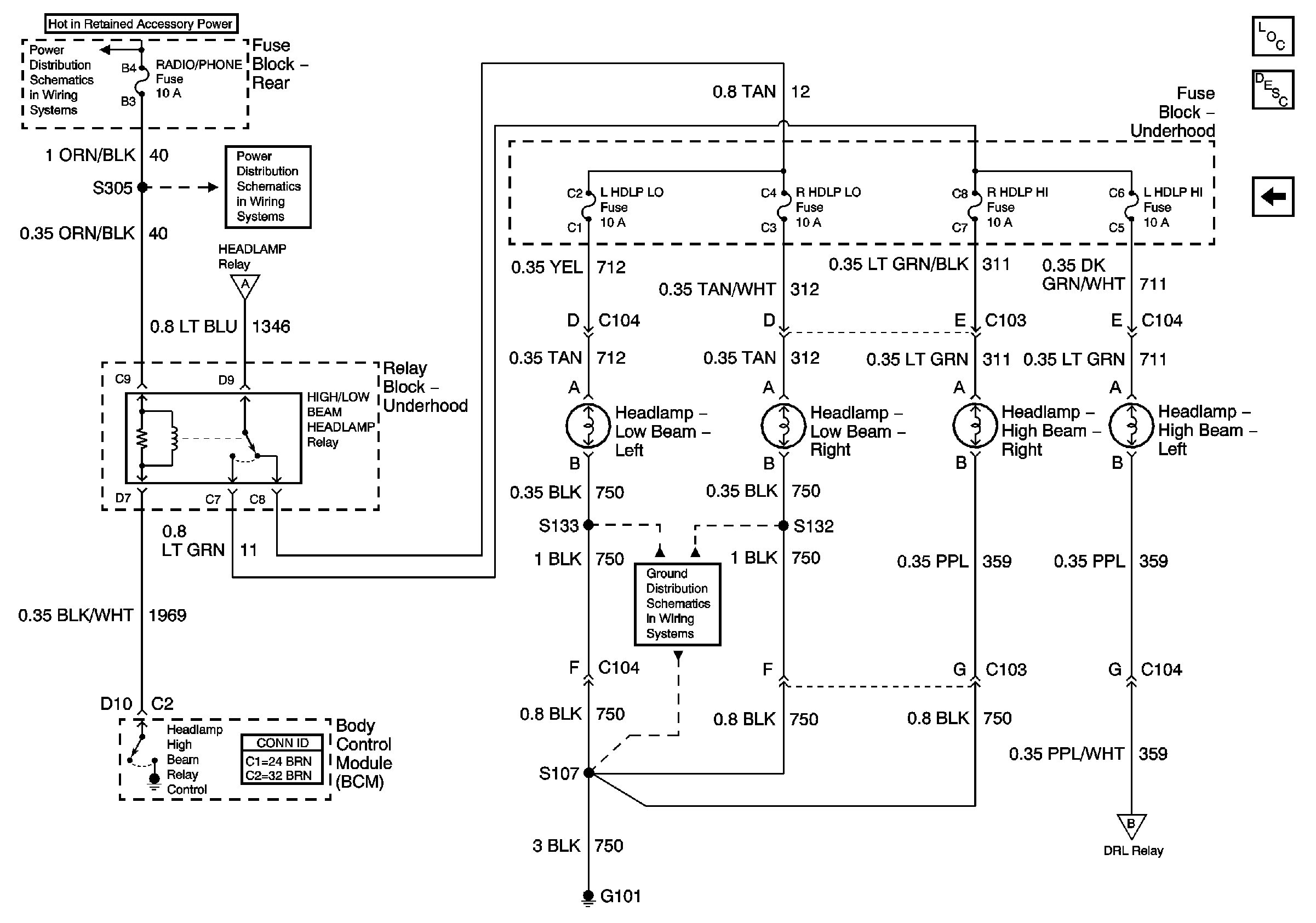
Headlamps
G205
Module, Pump, and Sensor Circuits w/CE1
Headlamp Switch and Park Lamp Control
LAMPS and IGN 1 Fuses
Figure 3:

Daytime Running Lamps


Object Number: 715133  Size: FS
Master Electrical Component List
Headlamps
Headlamp Switch and Headlamp Control
G101
Headlamps
ABS and IGN 1 Fuses
LAMPS and IGN 1 Fuses
Figure 4:

Headlamps


Object Number: 715138  Size: FS
Master Electrical Component List
Daytime Running Lamps
Daytime Running Lamps
G101
Headlamp Switch and Headlamp Control
RADIO/PHONE Fuse
BODY 3 and INADVERT Fuses