GM Service Manual Online
For 1990-2009 cars only
Makes
🢒
Cadillac
🢒
2001
🢒
Eldorado
🢒 Courtesy/Reading Lamps
Courtesy/Reading Lamps
Courtesy/Reading Lamps
Master Electrical Component List
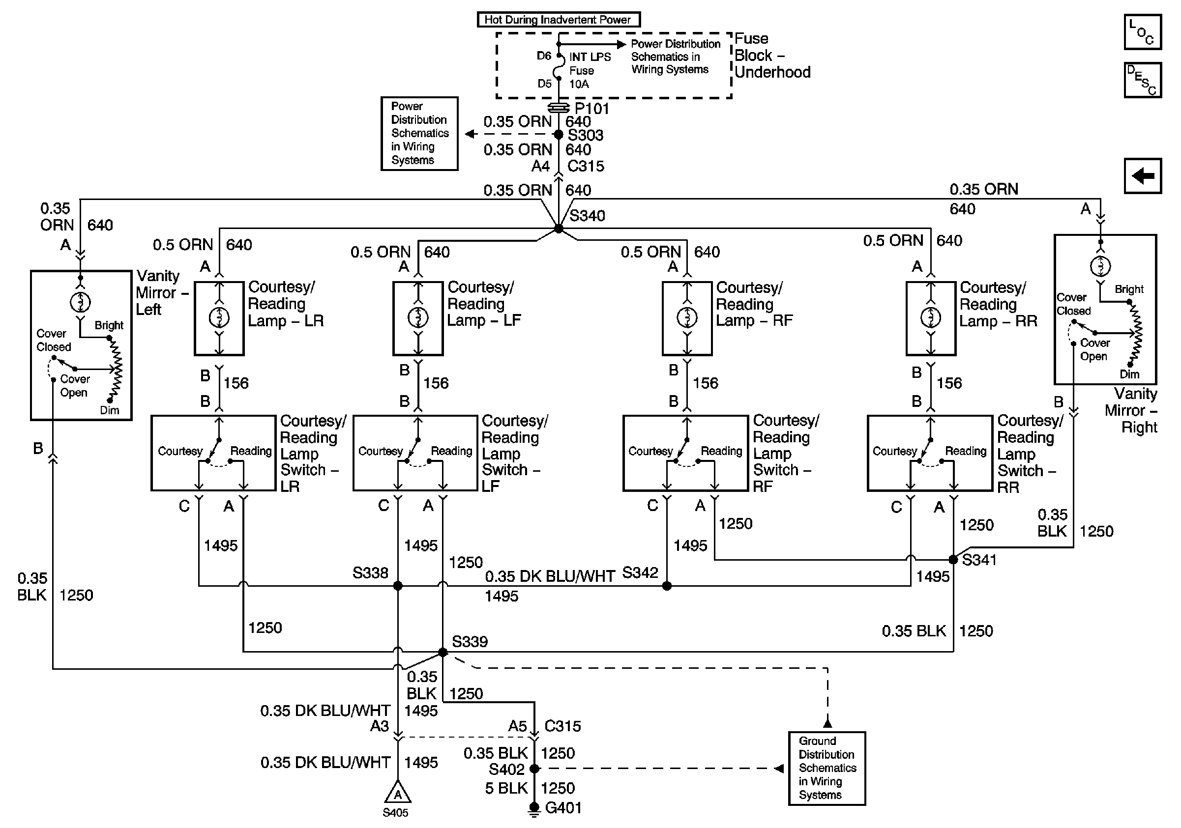
Door Courtesy, IP Compartment, and Rear Compartment Lamps
G401 (1 of 2)
Door Courtesy, IP Compartment, and Rear Compartment Lamps
INT LPS Fuse
BODY 3 and INADVERT Fuses