GM Service Manual Online
For 1990-2009 cars only
Makes
🢒
Cadillac
🢒
2001
🢒
Eldorado
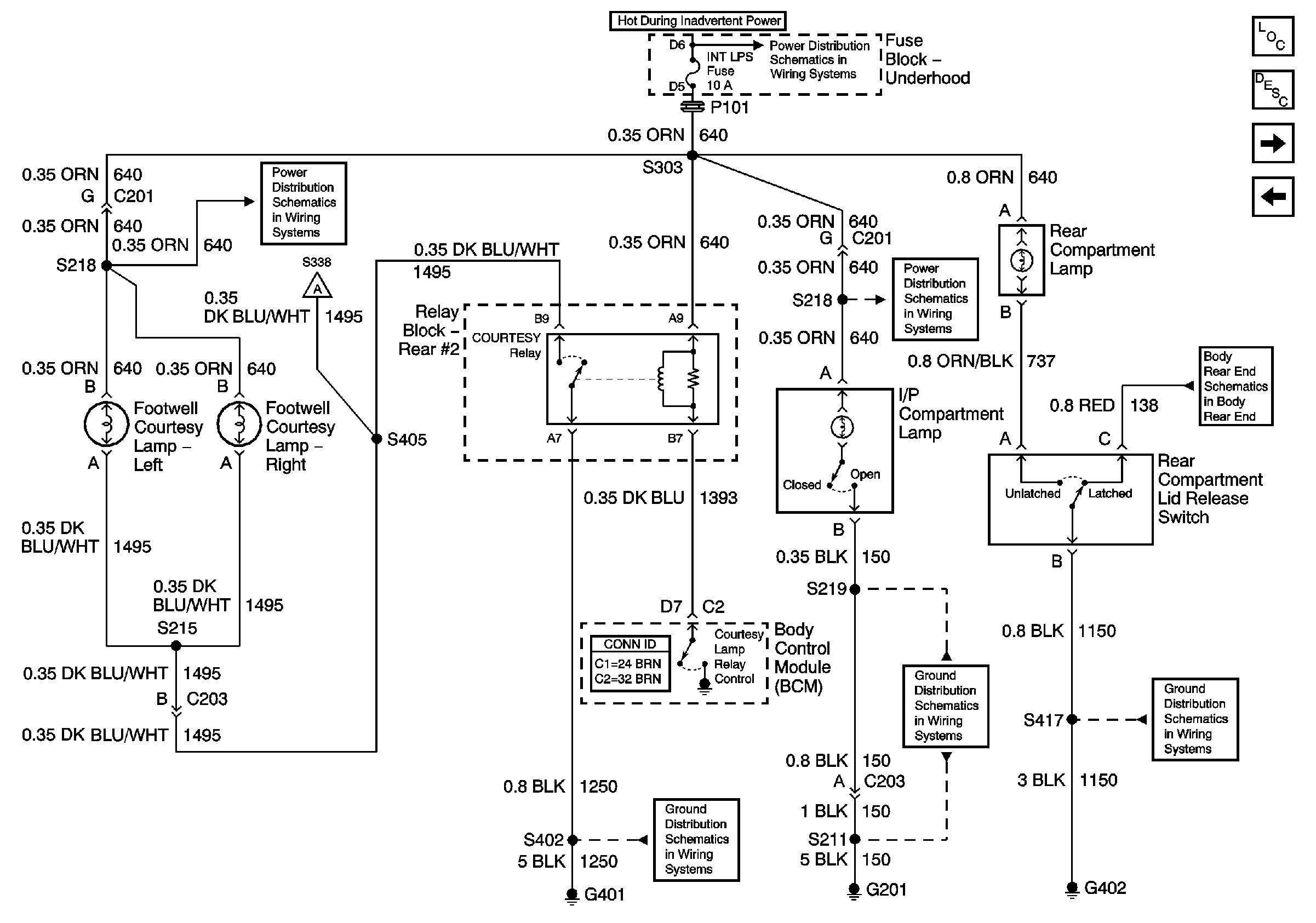
🢒 Door Courtesy, IP Compartment, and Rear Compartment Lamps
Door Courtesy, IP Compartment, and Rear Compartment Lamps
Door Courtesy, IP Compartment, and Rear Compartment Lamps
Master Electrical Component List
Courtesy/Reading Lamps
Inputs
Pulldown System
G402
G201
G401 (1 of 2)
Courtesy/Reading Lamps
INT LPS Fuse
BODY 3 and INADVERT Fuses
INT LPS Fuse