GM Service Manual Online
For 1990-2009 cars only
Makes
🢒
Cadillac
🢒
2001
🢒
Eldorado
🢒 w/o CE1
w/o CE1
w/o CE1
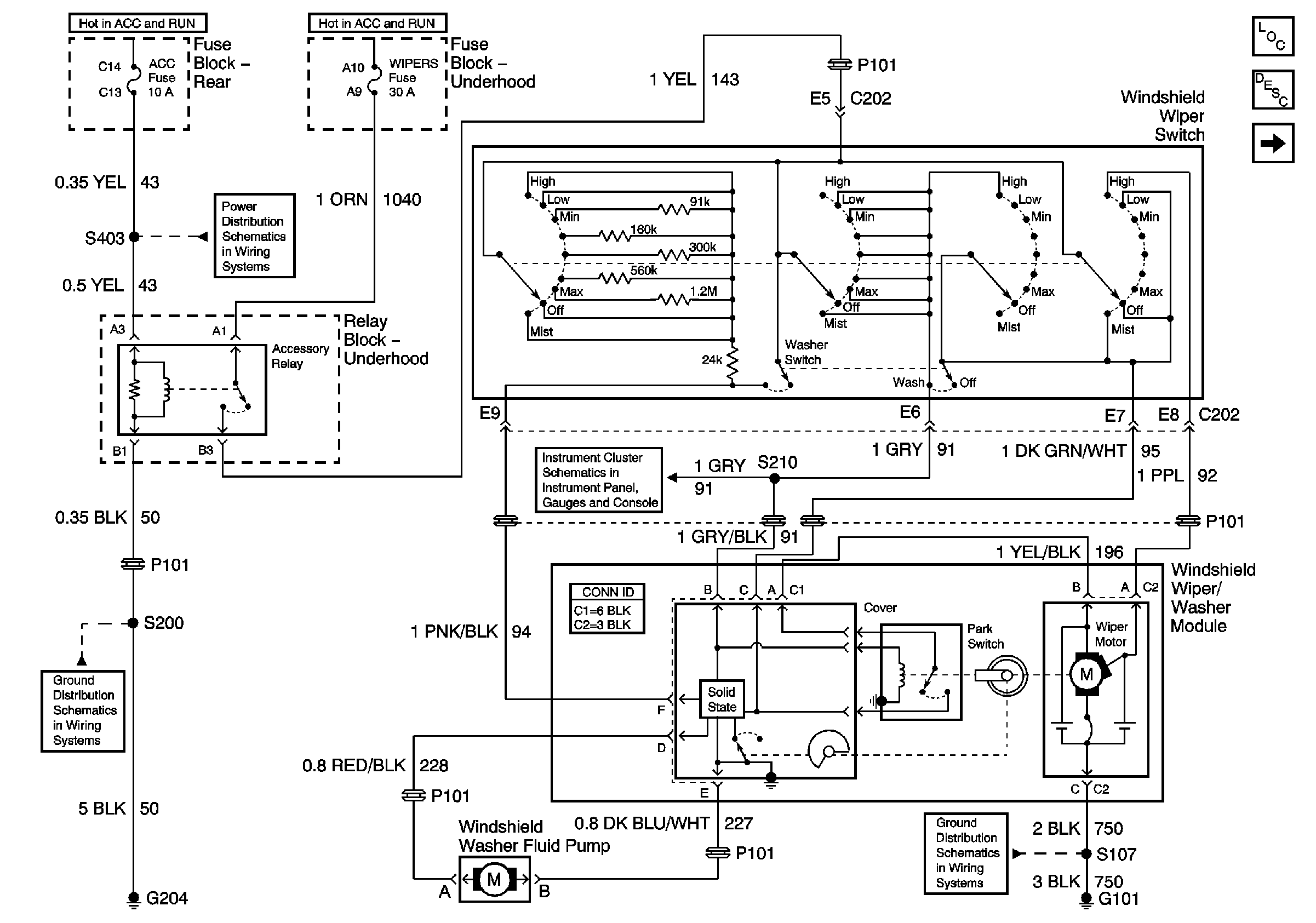
Master Electrical Component List
G101
G204
Inputs (1 of 2)
WIPERS, ACC, and CLUSTER Fuses
Power, Ground, and Switch Circuits w/CE1