GM Service Manual Online
For 1990-2009 cars only
Makes
🢒
Cadillac
🢒
2001
🢒
Eldorado
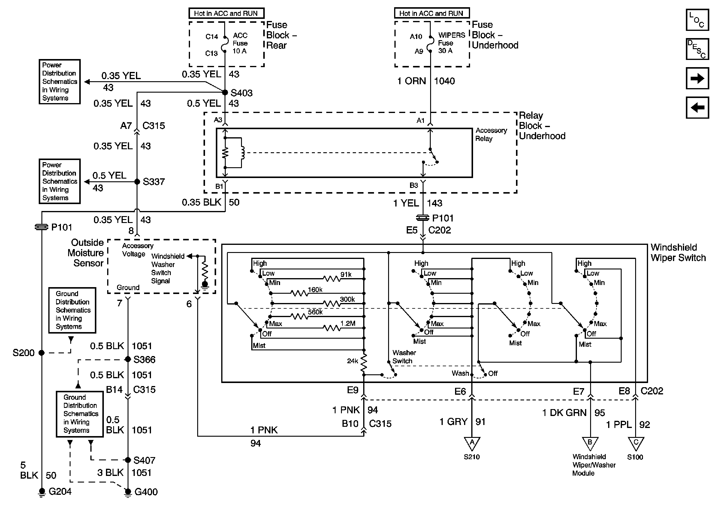
🢒 Power, Ground, and Switch Circuits w/CE1
Power, Ground, and Switch Circuits w/CE1
Power, Ground, and Switch Circuits w/CE1
Master Electrical Component List
Module, Pump, and Sensor Circuits w/CE1
Module, Pump, and Sensor Circuits w/CE1
Module, Pump, and Sensor Circuits w/CE1
Module, Pump, and Sensor Circuits w/CE1
G400
G204
WIPERS, ACC, and CLUSTER Fuses
WIPERS, ACC, and CLUSTER Fuses
w/o CE1