GM Service Manual Online
For 1990-2009 cars only
Makes
🢒
Cadillac
🢒
2001
🢒
Eldorado
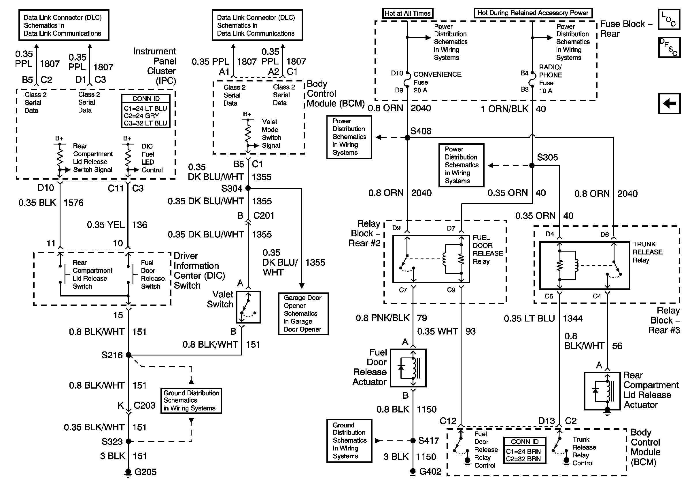
🢒 Release Systems
Release Systems
Release Systems
Master Electrical Component List
Pulldown System
Power, Ground, and Class 2 (2 of 2)
Power, Ground and Class 2 (1 of 2)
BODY 1 Fuse
BODY 3 and INADVERT Fuses
CONVENIENCE Fuse
RADIO/PHONE Fuse
Garage Door Opener
G205
G402