GM Service Manual Online
For 1990-2009 cars only
Figure 1:

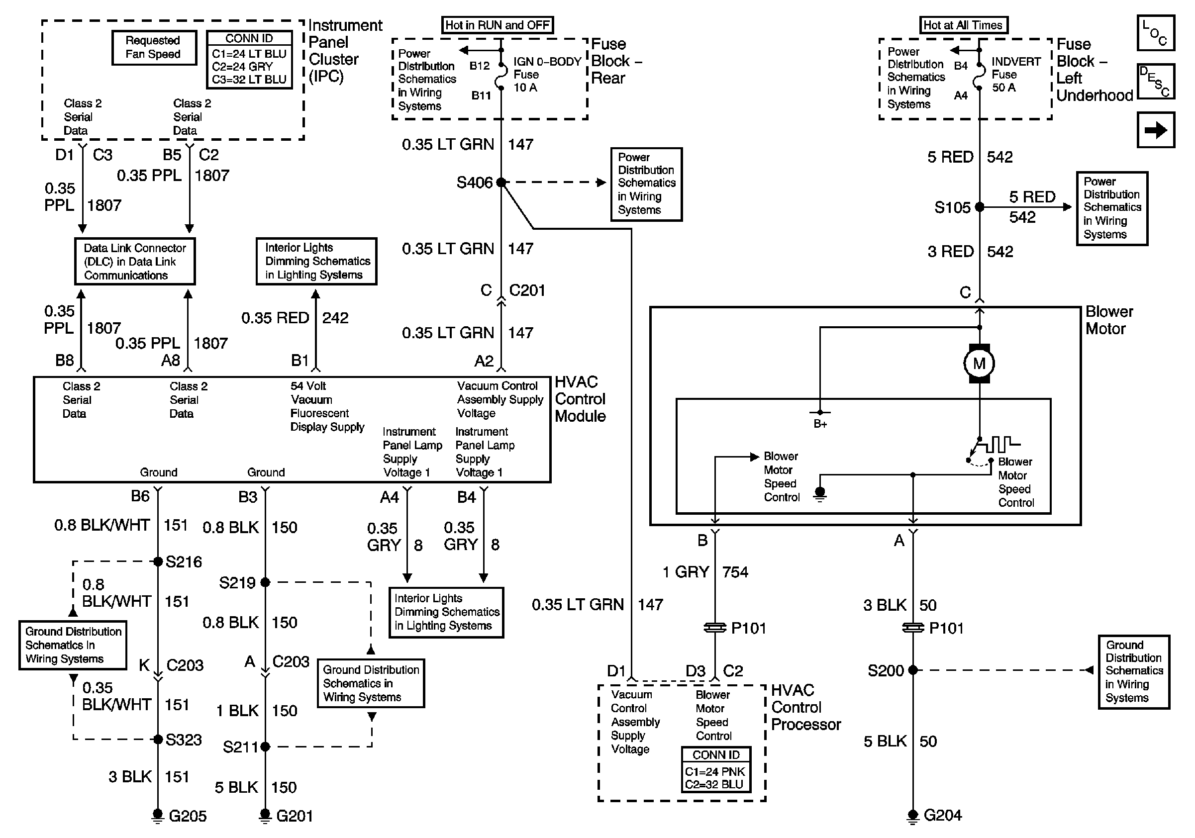
Front Blower Motor Control


Object Number: 713758  Size: FS
Master Electrical Component List
Air Delivery Description and Operation
Auxiliary Blower Motor Control
BODY 3 and INADVERT Fuses
G204
Power, Ground, and Class 2 (2 of 2)
Battery Feeds
BATT 3 and Ignition Switch (1 of 2)
IGN 0 BODY Fuse
G201
G205
Instrument Panel Backlighting
Instrument Panel Backlighting
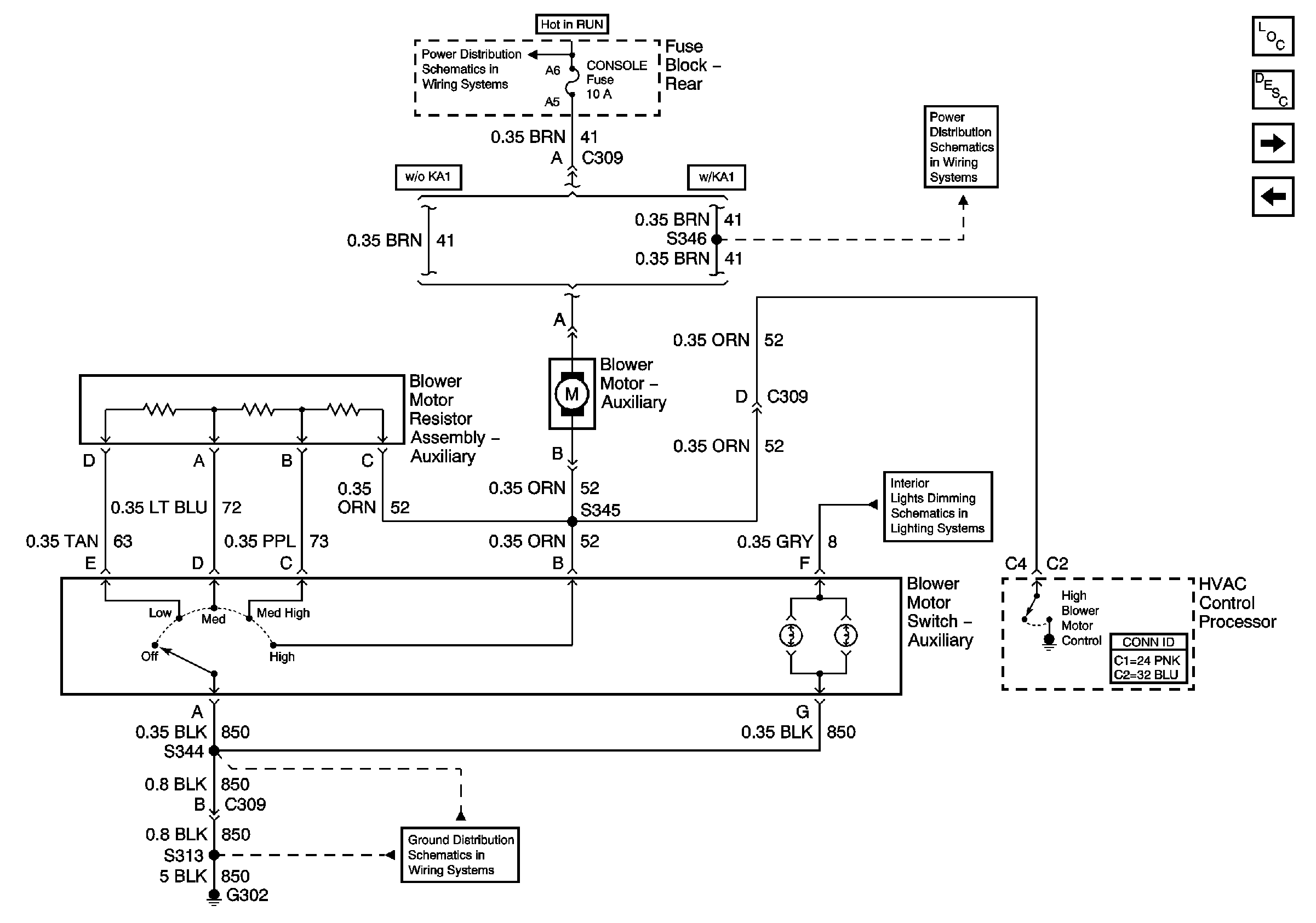
Figure 2:

Auxiliary Blower Motor Control


Object Number: 713789  Size: FS
Master Electrical Component List
Air Delivery Description and Operation
Front Blower Motor Control
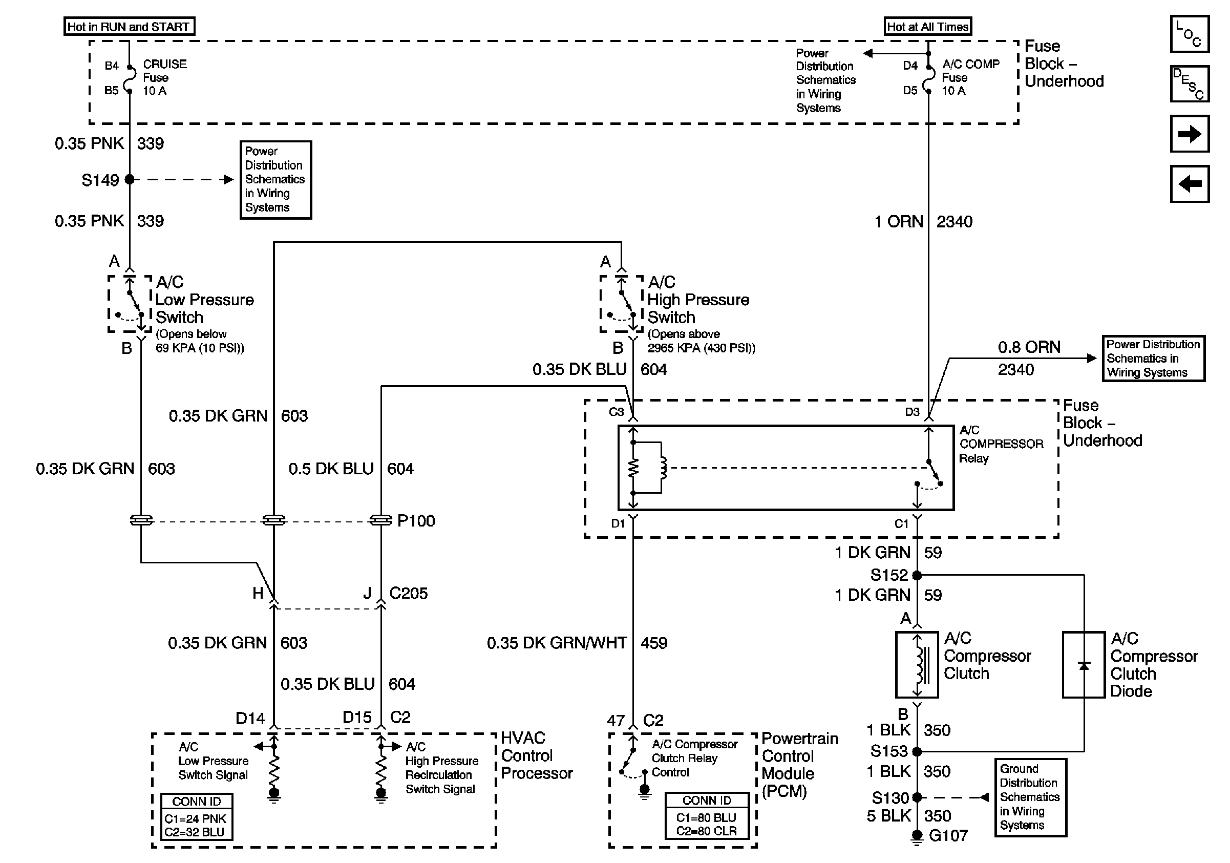
Compressor Control Pressure Switch
CONSOLE Fuses
Console Backlighting
G302 (1 of 2)
BATT 3 and Ignition Switch (1 of 2)
Figure 3:

Compressor Control


Object Number: 713794  Size: FS
Master Electrical Component List
Air Temperature Description and Operation
Compressor Control Temperature Sensors
Auxiliary Blower Motor Control
PCM (BAT), A/C COMP, PARK/REV Fuses and A/C COMPRESSOR Relay
G103, G107, G109, and G110
CRUISE, DIS, and PCM (IGN) Fuses
IGN 1, COOL FANS, AIR, BATT 1, and BRAKES Fuses
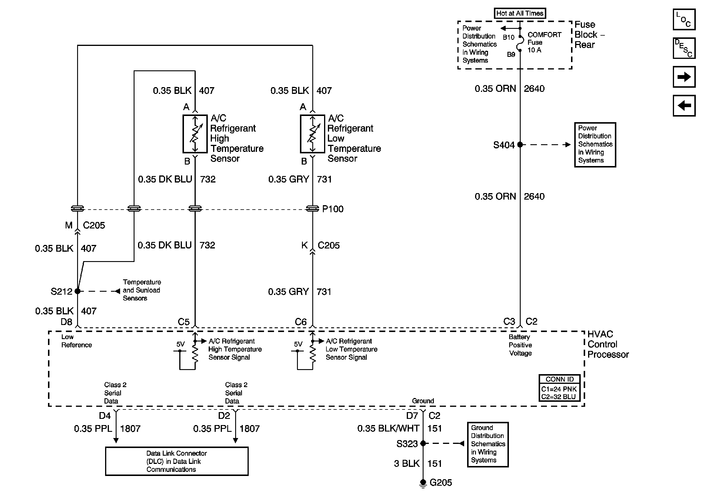
Figure 4:

Refrigerant Temperature Sensors


Object Number: 713800  Size: FS
Master Electrical Component List
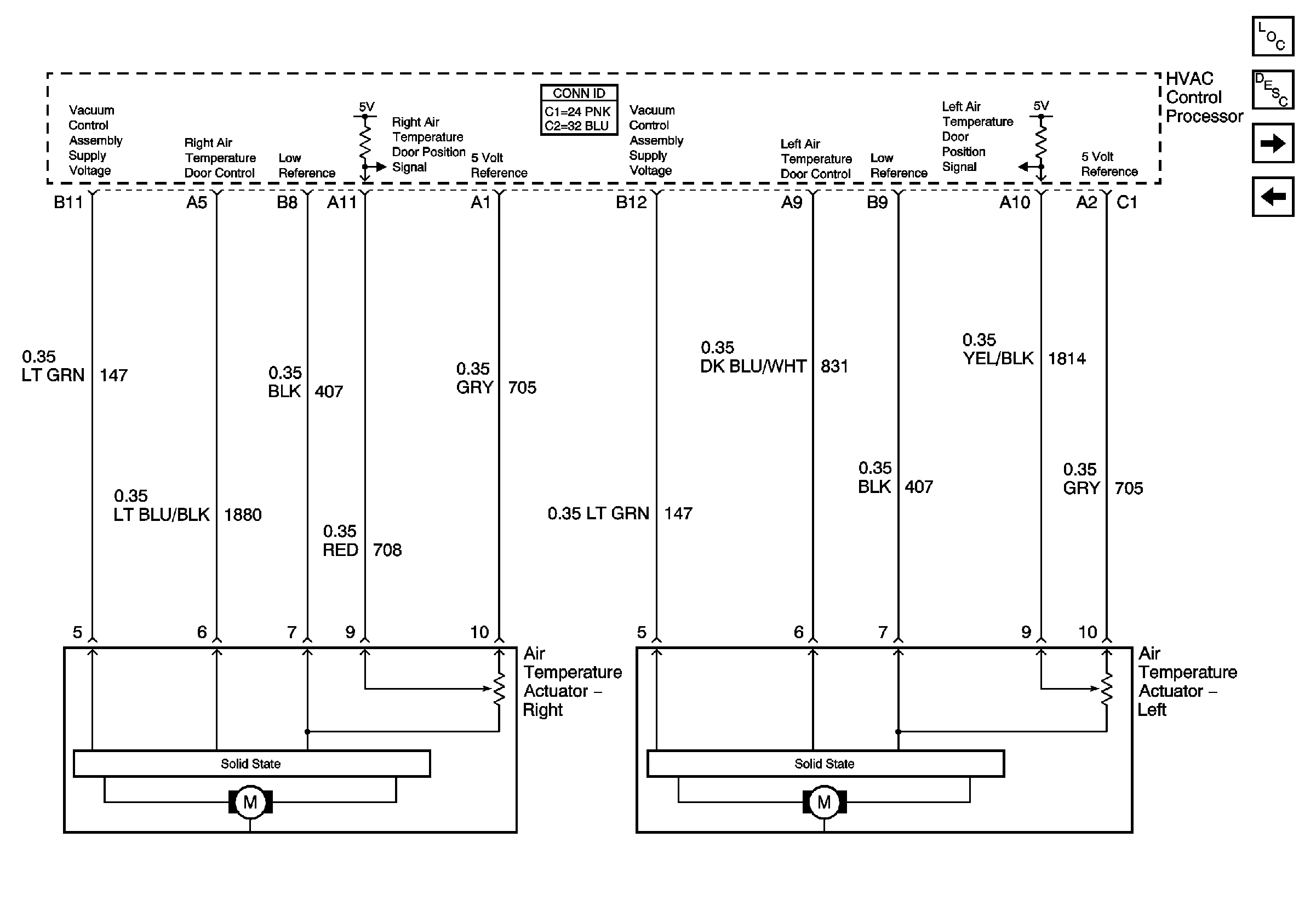
Air Temperature Description and Operation
Air Temperature Actuators
Compressor Control Pressure Switch
COMFORT Fuses
G205
Power, Ground, and Class 2 (2 of 2)
Air Temperature Sensors
BODY 3 and INADVERT Fuses
Figure 5:

Air Temperature Actuators


Object Number: 713810  Size: FS
Master Electrical Component List
Air Temperature Description and Operation
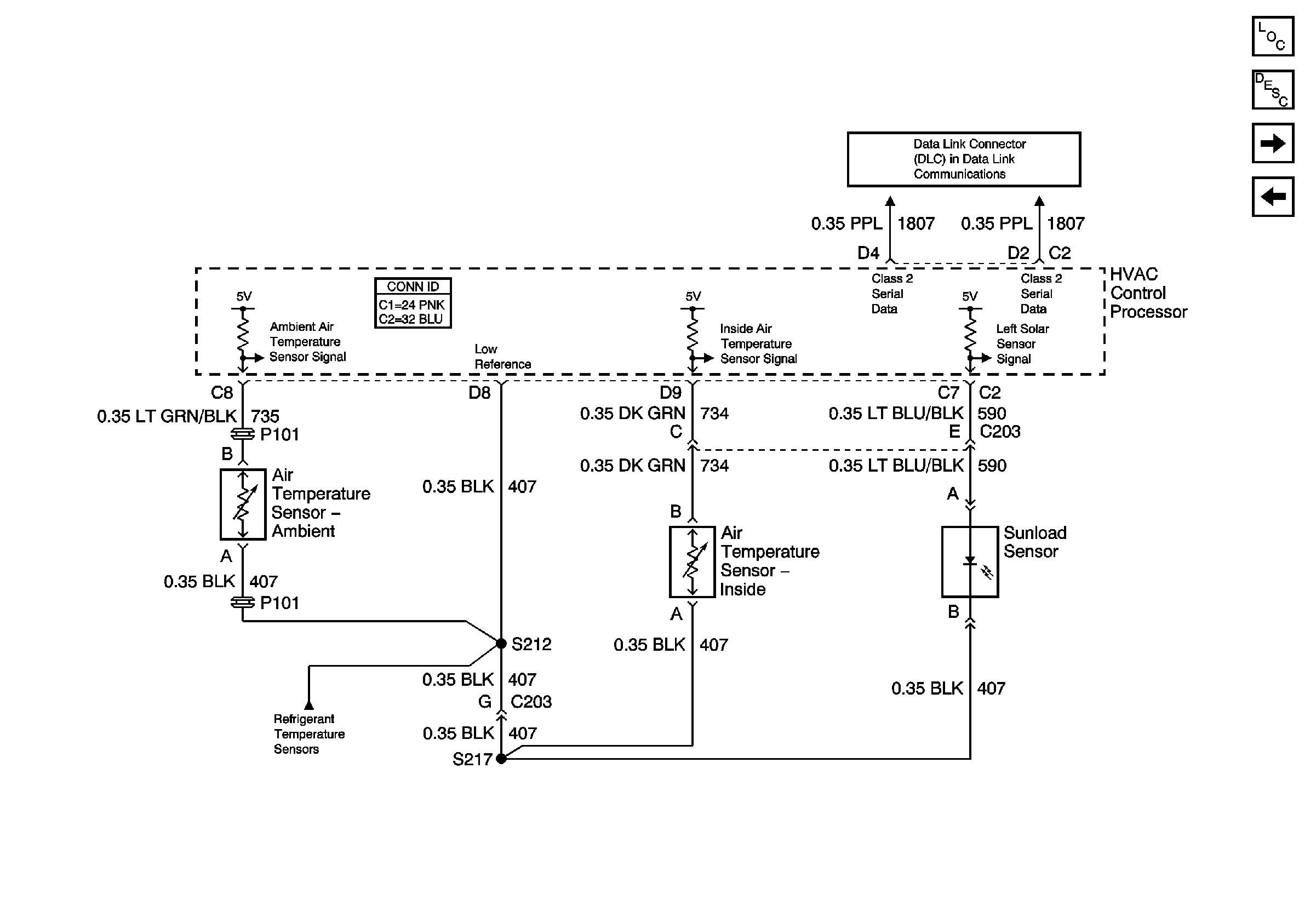
Air Temperature Sensors
Compressor Control Temperature Sensors
Figure 6:

Air Temperature Sensors


Object Number: 713818  Size: FS
Master Electrical Component List
Air Temperature Description and Operation
Steering Wheel Controls
Air Temperature Actuators
Power, Ground, and Class 2 (2 of 2)
Compressor Control Temperature Sensors
Figure 7:

Steering Wheel Controls


Object Number: 724651  Size: FS
Master Electrical Component List
Air Temperature Description and Operation
Vacuum Control Actuators
Air Temperature Sensors
SIR Handling Caution
SIR Handling Caution
Power, Ground, and Class 2 (2 of 2)
WIPERS, ACC, and CLUSTER Fuses
BODY 3 and INADVERT Fuses
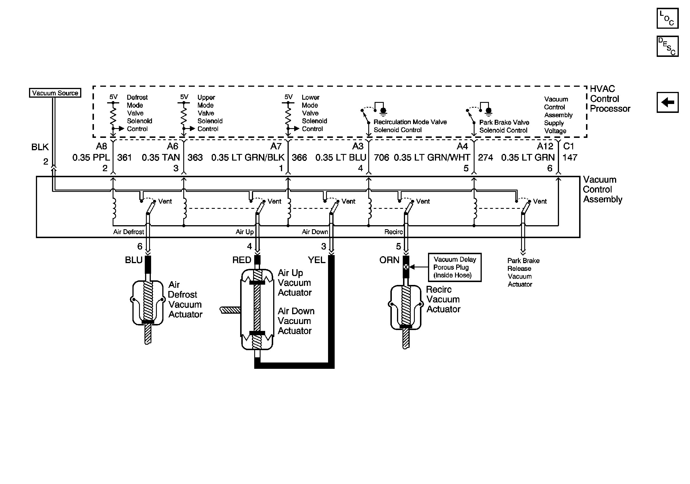
Figure 8:

Vacuum Control Actuators


Object Number: 776064  Size: FS
Master Electrical Component List
Air Delivery Description and Operation
Steering Wheel Controls