GM Service Manual Online
For 1990-2009 cars only
Makes
🢒
Cadillac
🢒
2002
🢒
Eldorado
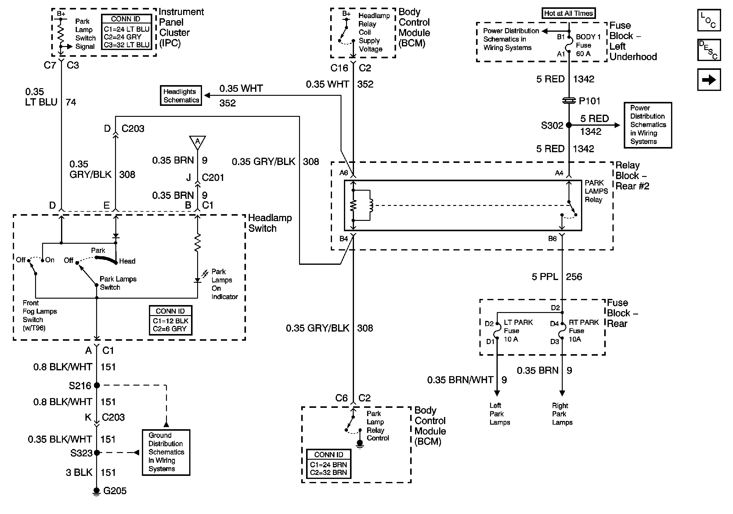
🢒 Headlamp Switch and Park Lamp Control
Headlamp Switch and Park Lamp Control
Headlamp Switch and Park Lamp Control
Master Electrical Component List
Exterior Lighting Systems Description and Operation
LH Park Lamps
BODY 1 Fuse
G205
RH Park Lamps
Headlamp Switch and Headlamp Control
Battery Feeds