GM Service Manual Online
For 1990-2009 cars only
Makes
🢒
Cadillac
🢒
2002
🢒
Eldorado
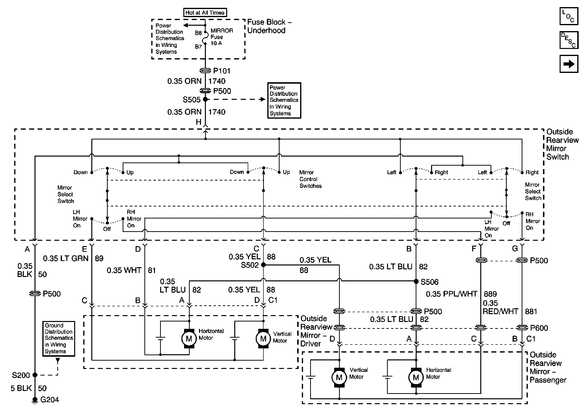
🢒 Outside Rearview Mirrors w/o A45
Outside Rearview Mirrors w/o A45
Outside Rearview Mirrors w/o A45
Master Electrical Component List
Outside Mirror Description and Operation
Outside Rearview Mirror Switch w/A45
G204
LAMPS and IGN 1 Fuses
MIRROR, DRL, and FOG Fuses