GM Service Manual Online
For 1990-2009 cars only
Makes
🢒
Cadillac
🢒
2002
🢒
Escalade EXT
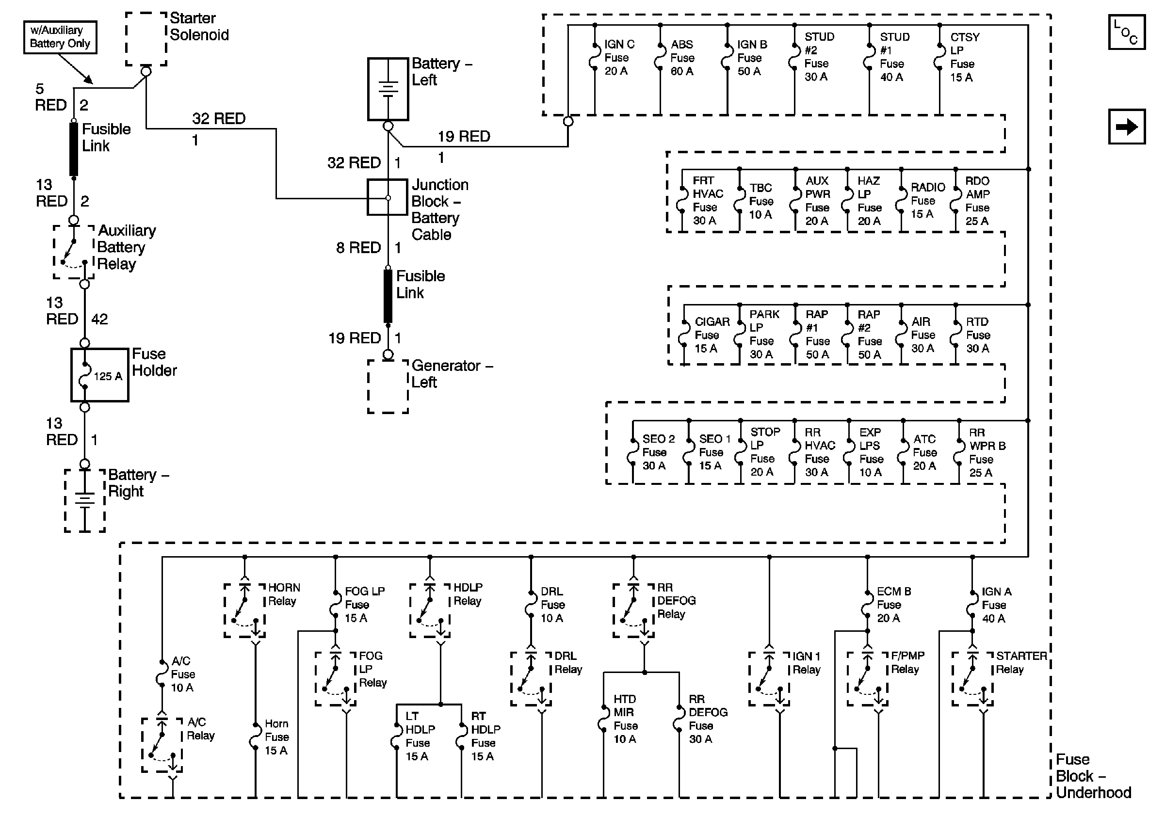
🢒 B+ Bus Bar
B+ Bus Bar
B+ Bus Bar
Master Electrical Component List
IGNITION, RUN, and START Bus Bar