GM Service Manual Online
For 1990-2009 cars only
Makes
🢒
Cadillac
🢒
2002
🢒
Escalade EXT
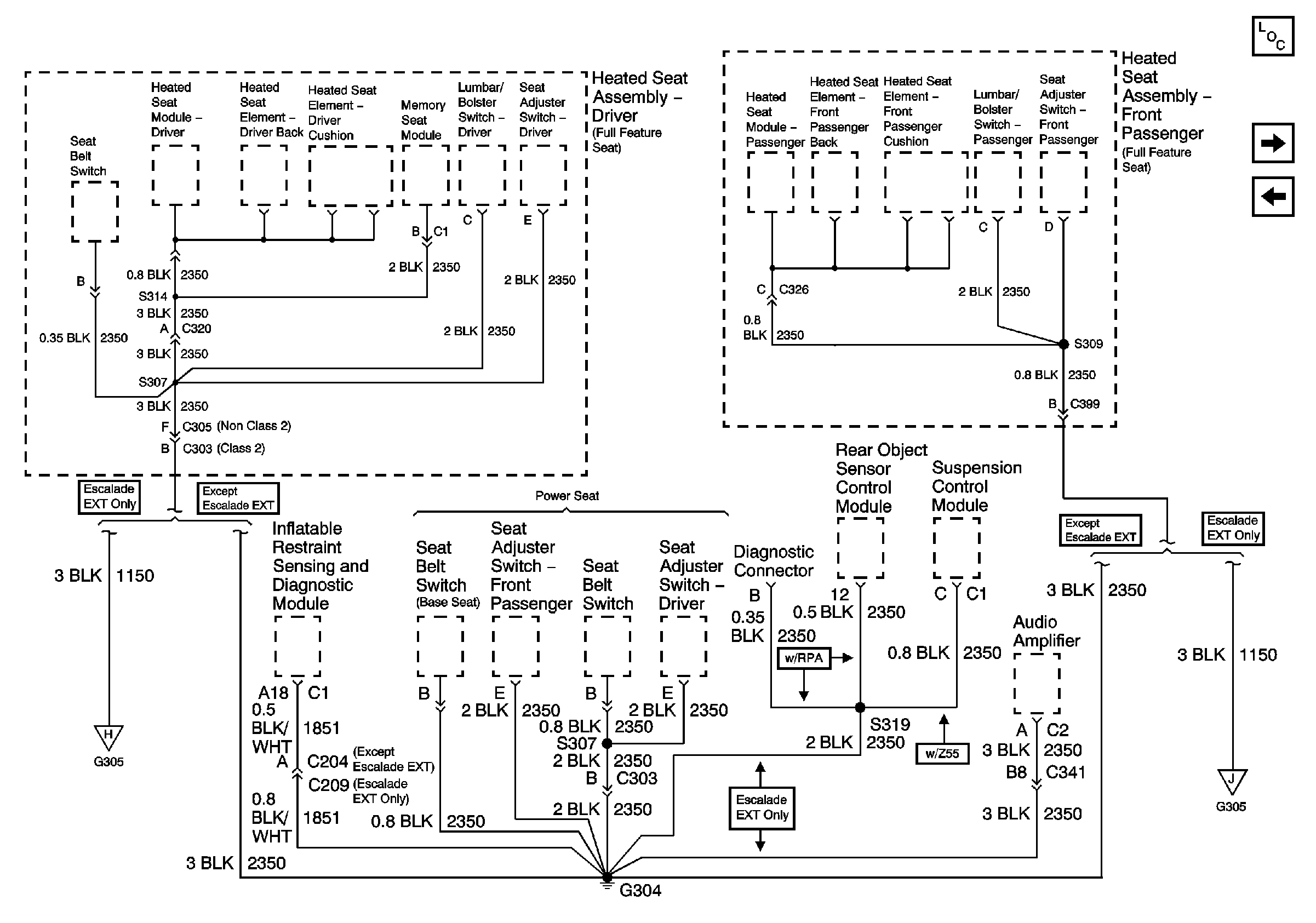
🢒 G304
G304
G304
Master Electrical Component List
G305
G203 - 4 of 4
G305
G305