GM Service Manual Online
For 1990-2009 cars only
Makes
🢒
Cadillac
🢒
2002
🢒
Escalade EXT
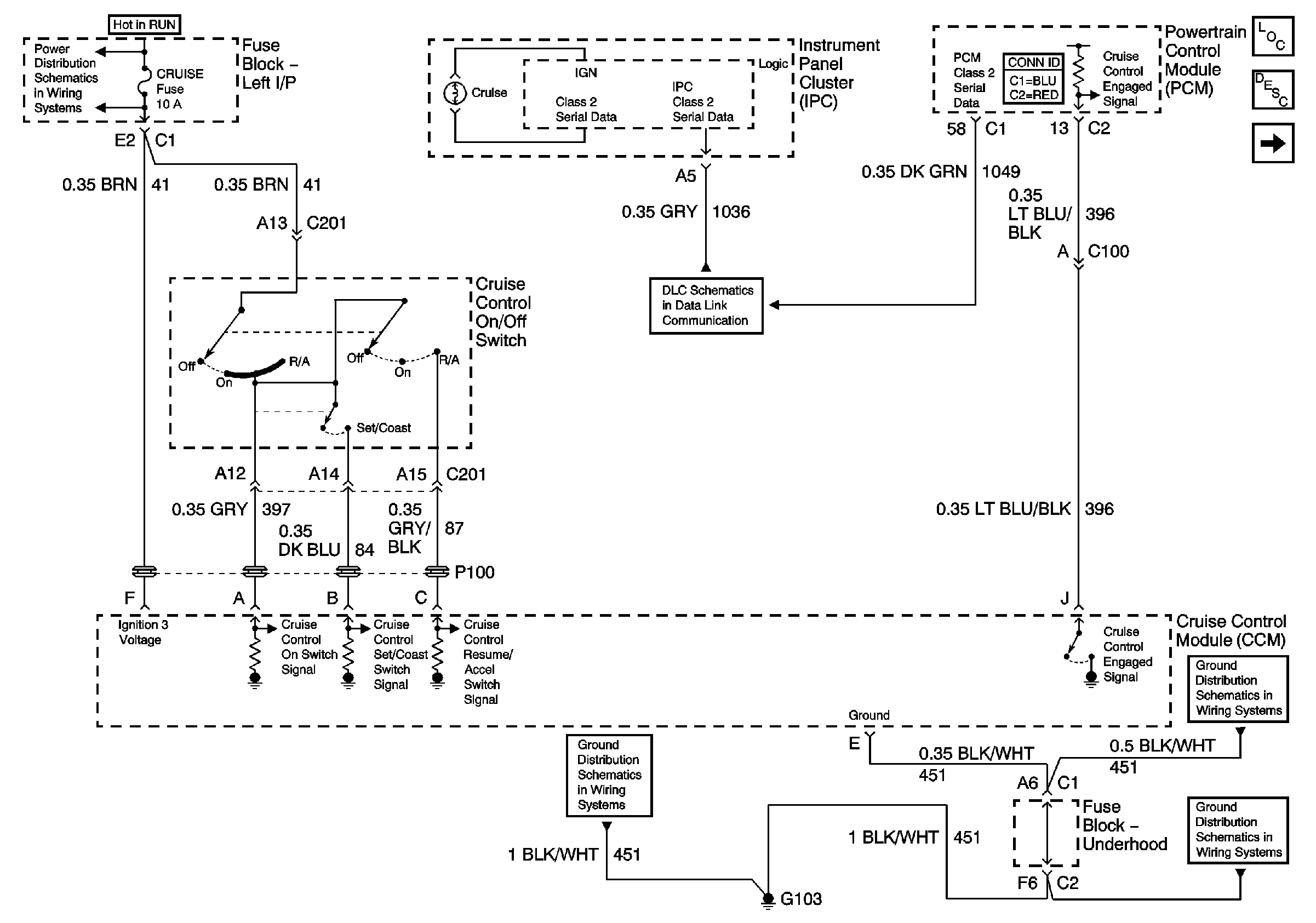
🢒 Power, Ground, Cruise Control On/Off Switch, IPC Indicator and Cruise Engaged Signal (w/o ETC)
Power, Ground, Cruise Control On/Off Switch, IPC Indicator and Cruise Engaged Signal (w/o ETC)
Power, Ground, Cruise Control On/Off Switch, IPC Indicator and Cruise Engaged Signal (w/o ETC)
BRAKE, CRUISE, HTR A/C, RR WPR, WS WPR, and SEO ACCY Fuses
Splice Pack SP205
G103, G105, and G106
G103, G105, and G106
G103, G105, and G106
Master Electrical Component List
Cruise Control Description and Operation w/o ETC
Stop Lamp Switch Inputs and Vehicle Speed Signal (w/o ETC)