GM Service Manual Online
For 1990-2009 cars only
Makes
🢒
Cadillac
🢒
2002
🢒
Escalade EXT
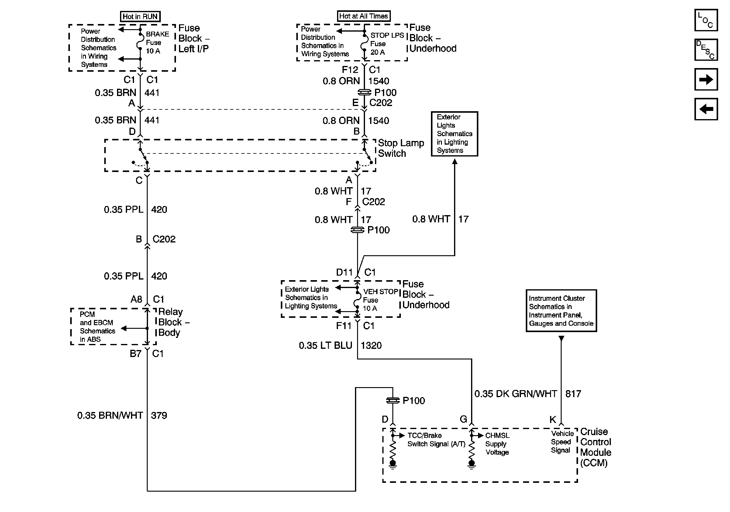
🢒 Stop Lamp Switch Inputs and Vehicle Speed Signal (w/o ETC)
Stop Lamp Switch Inputs and Vehicle Speed Signal (w/o ETC)
Stop Lamp Switch Inputs and Vehicle Speed Signal (w/o ETC)
BRAKE, CRUISE, HTR A/C, RR WPR, WS WPR, and SEO ACCY Fuses
Power, Ground, Class 2 Communication - w/o Traction Assist
STOP, TURN, and HAZARD Bus Bars
TRL L TRN, TRL R TURN, VEH STOP - 1 of 2, and CHMSL Fuses
Hazard Flasher, Turn Signal, and Stop Lamp Control
Gages, VSS, and Engine Oil Signals
Master Electrical Component List
Cruise Control Description and Operation w/o ETC
Power, Cruise Control On/Off Switch, Stop Lamp Switch Input, TAC Module, APP Sensor (w/ETC)
Power, Ground, Cruise Control On/Off Switch, IPC Indicator and Cruise Engaged Signal (w/o ETC)