GM Service Manual Online
For 1990-2009 cars only
Makes
🢒
Cadillac
🢒
2002
🢒
Escalade EXT
🢒 Engine Data Sensors - Pressure and Temperature
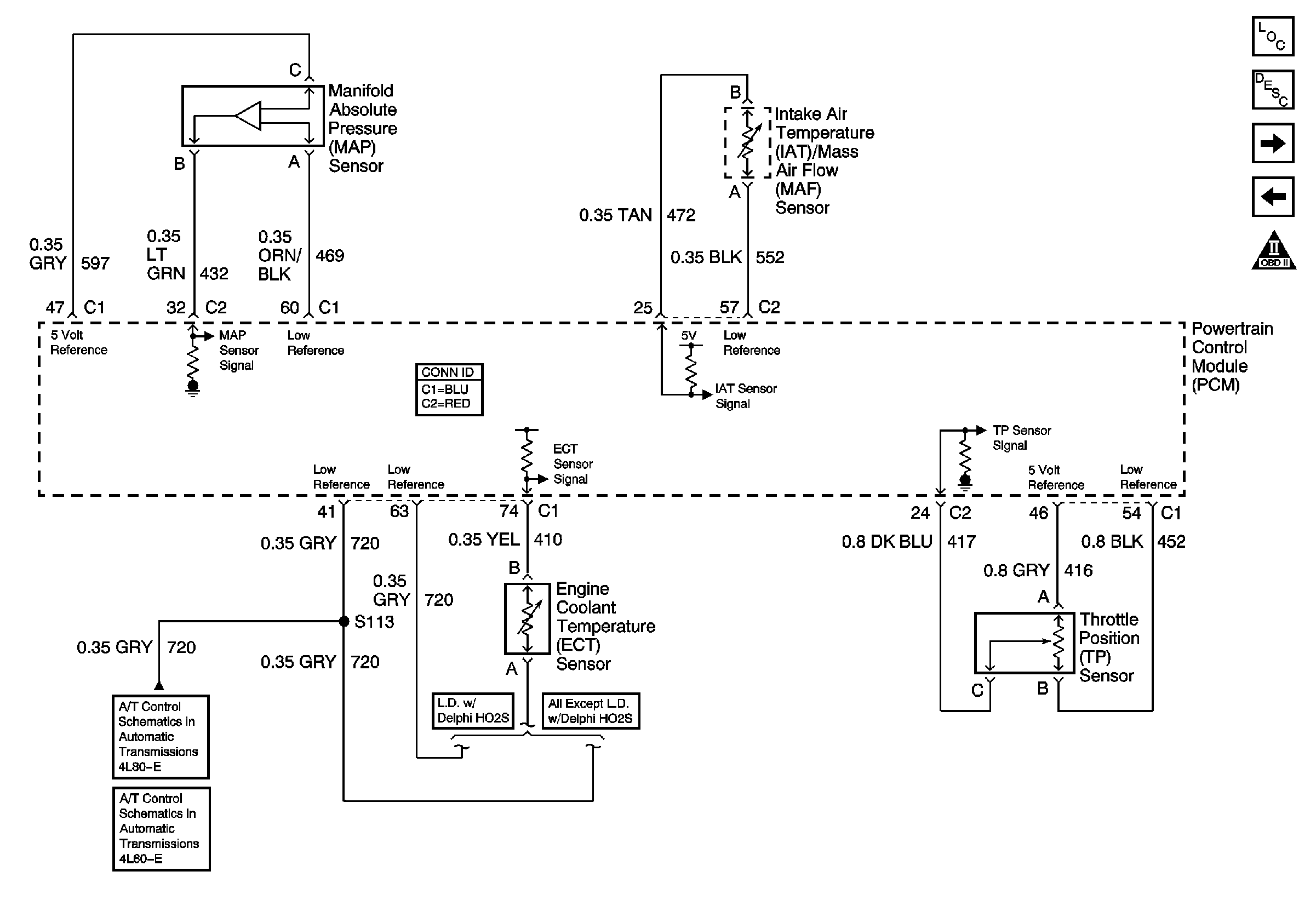
Engine Data Sensors - Pressure and Temperature
Engine Data Sensors - Pressure and Temperature
Engine Controls Component Views
Powertrain Control Module Description
Engine Data Sensors - MAF and VSS
Module Power, Ground, Serial Data and MIL
OBD II Symbol Description Notice
Switch Inputs
Switch Inputs