GM Service Manual Online
For 1990-2009 cars only
Makes
🢒
Cadillac
🢒
2002
🢒
Escalade EXT
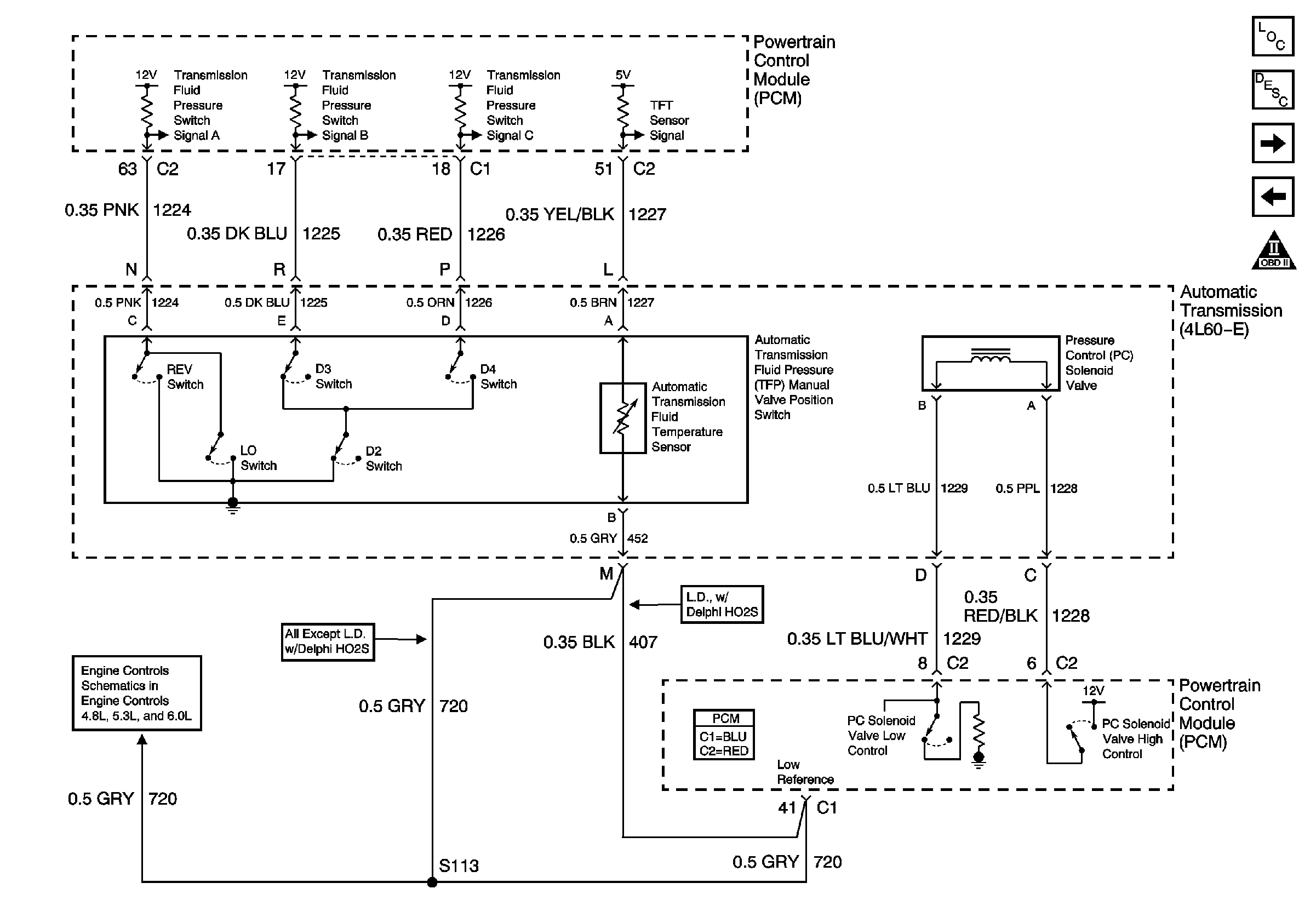
🢒 Switch Inputs
Switch Inputs
Switch Inputs
Master Electrical Component List
Electronic Component Description
Tow/Haul Switch and PNP Switch Inputs
Valve Controls and Brake Switch
Automatic Transmission Schematic Icons
Engine Data Sensors - Electronic Throttle Controls, TAC Motor and TP Sensor