GM Service Manual Online
For 1990-2009 cars only
Makes
🢒
Cadillac
🢒
2002
🢒
Escalade EXT
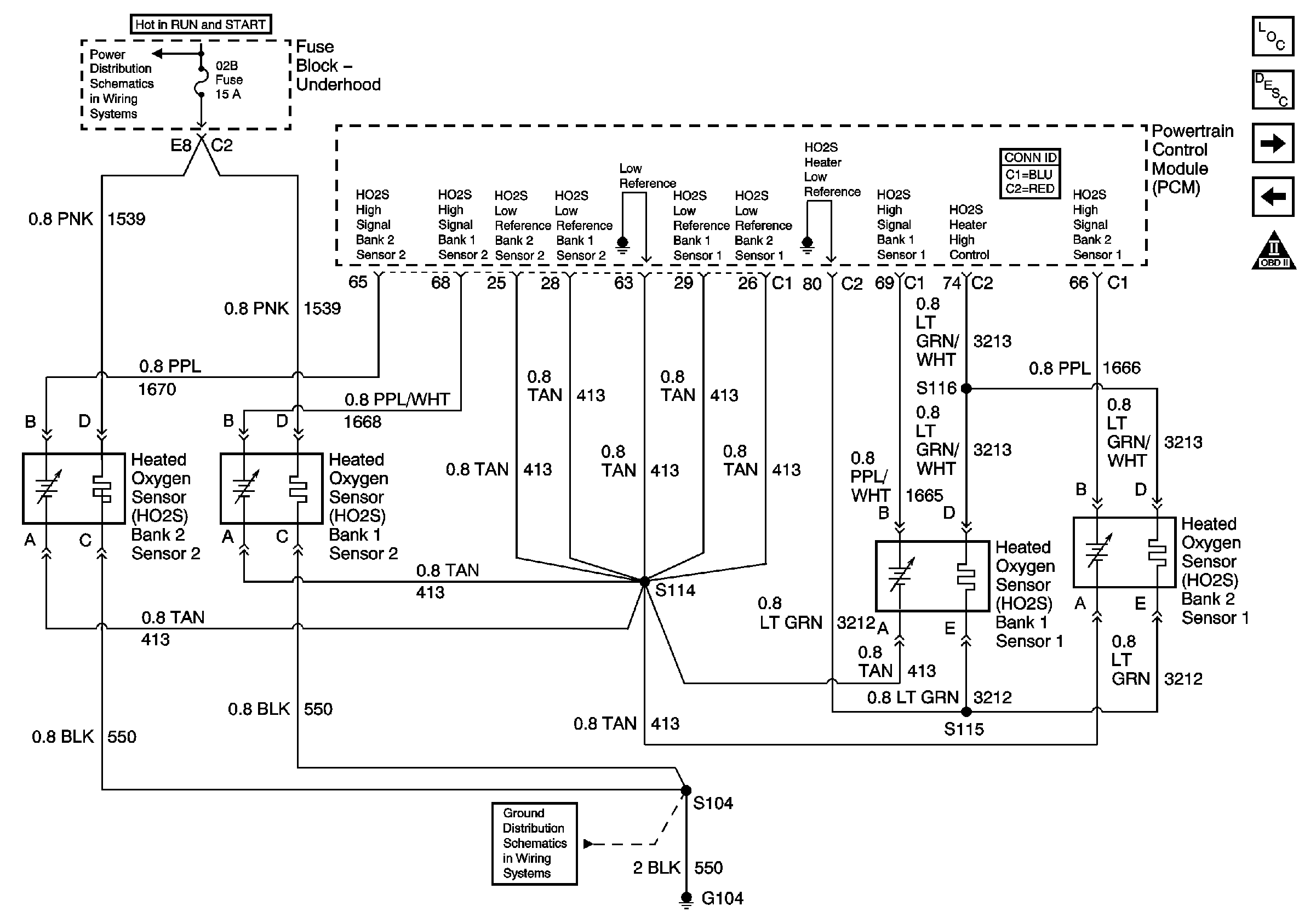
🢒 Engine Data Sensors - HO2S 6.0L w/Isolated Grounded Sensors
Engine Data Sensors - HO2S 6.0L w/Isolated Grounded Sensors
Engine Data Sensors - HO2S 6.0L w/Isolated Grounded Sensors
Master Electrical Component List
Powertrain Control Module Description
Engine Data Sensors - Electronic Throttle Controls, TAC Motor and TP Sensor
Engine Data Sensors - HO2S 6.0L w/Isolated and Case Grounded Sensors
OBD II Symbol Description Notice
O2 B, O2 A, ENG 1, and IGN E Fuses
G104