GM Service Manual Online
For 1990-2009 cars only
Makes
🢒
Cadillac
🢒
2002
🢒
Escalade EXT
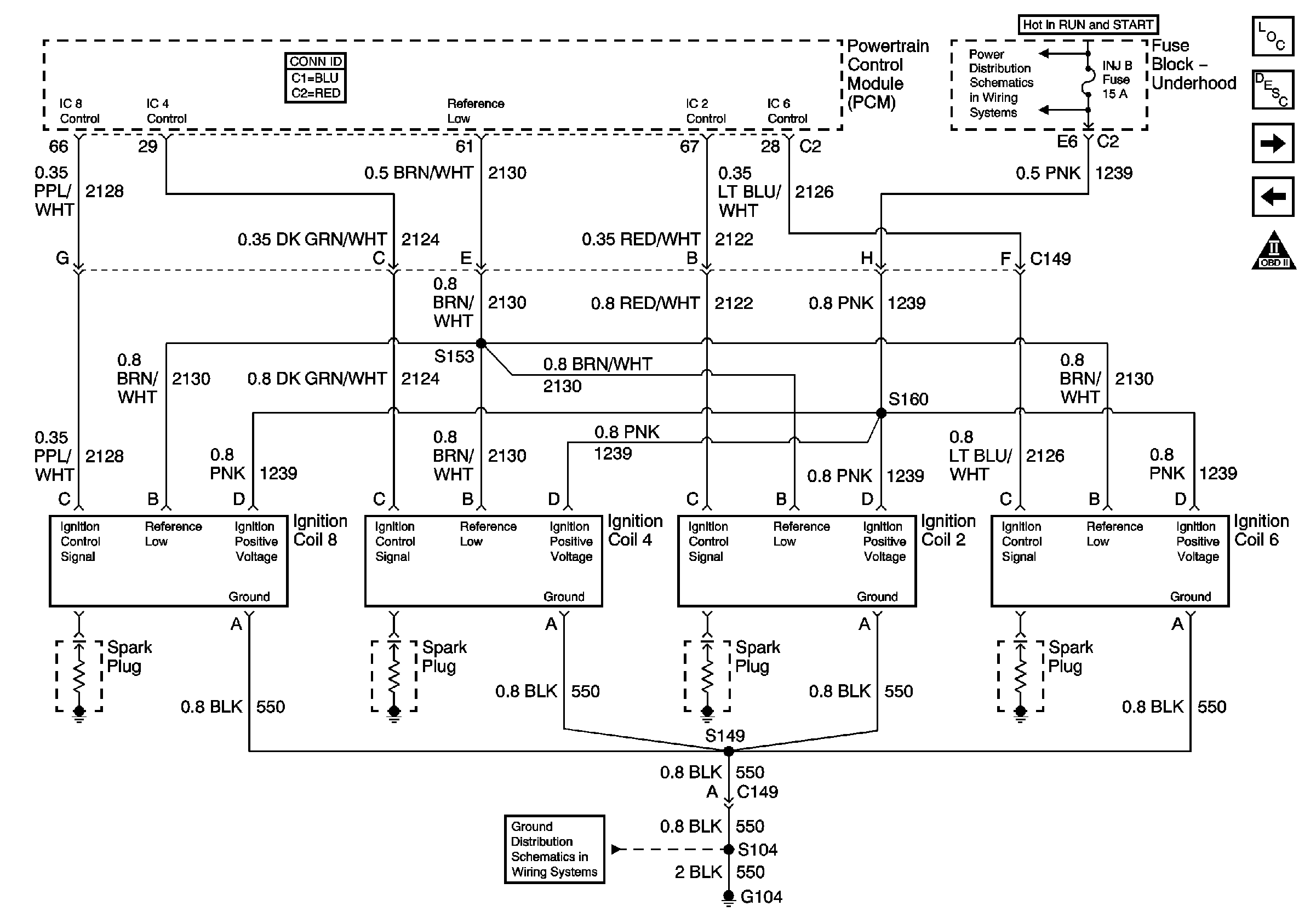
🢒 Ignition Controls - Cylinders 2, 4, 6, and 8
Ignition Controls - Cylinders 2, 4, 6, and 8
Ignition Controls - Cylinders 2, 4, 6, and 8
Master Electrical Component List
Powertrain Control Module Description
Ignition Controls - Cylinders 1, 3, 5, and 7
Engine Data Sensors - Electronic Throttle Controls - TAC Motor and TP sensor
OBD II Symbol Description Notice
ECM 1, ETC, INJ A and INJ B Fuses
G104