GM Service Manual Online
For 1990-2009 cars only
Makes
🢒
Cadillac
🢒
2002
🢒
Escalade EXT
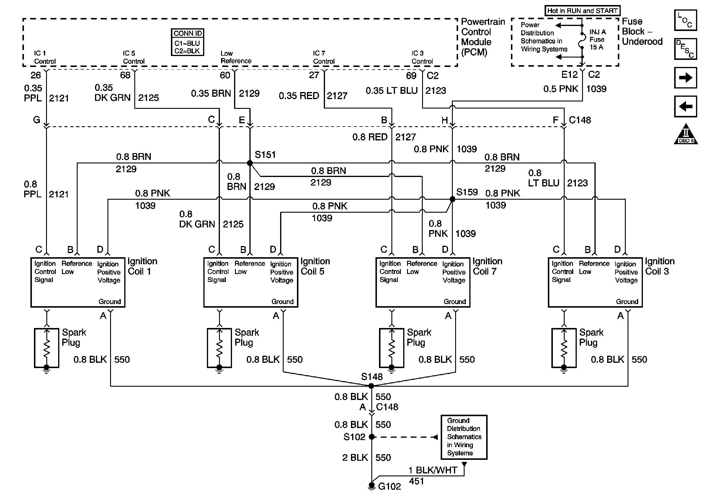
🢒 Ignition Controls - Cylinders 1, 3, 5, and 7
Ignition Controls - Cylinders 1, 3, 5, and 7
Ignition Controls - Cylinders 1, 3, 5, and 7
Master Electrical Component List
Powertrain Control Module Description
Ignition Controls - Sensors
Ignition Controls - Cylinders 2, 4, 6, and 8
OBD II Symbol Description Notice
ECM 1, ETC, INJ A and INJ B Fuses
G103, G105, and G106