GM Service Manual Online
For 1990-2009 cars only
Makes
🢒
Cadillac
🢒
2002
🢒
Escalade EXT
🢒 Fuel Controls - Fuel Pump Controls
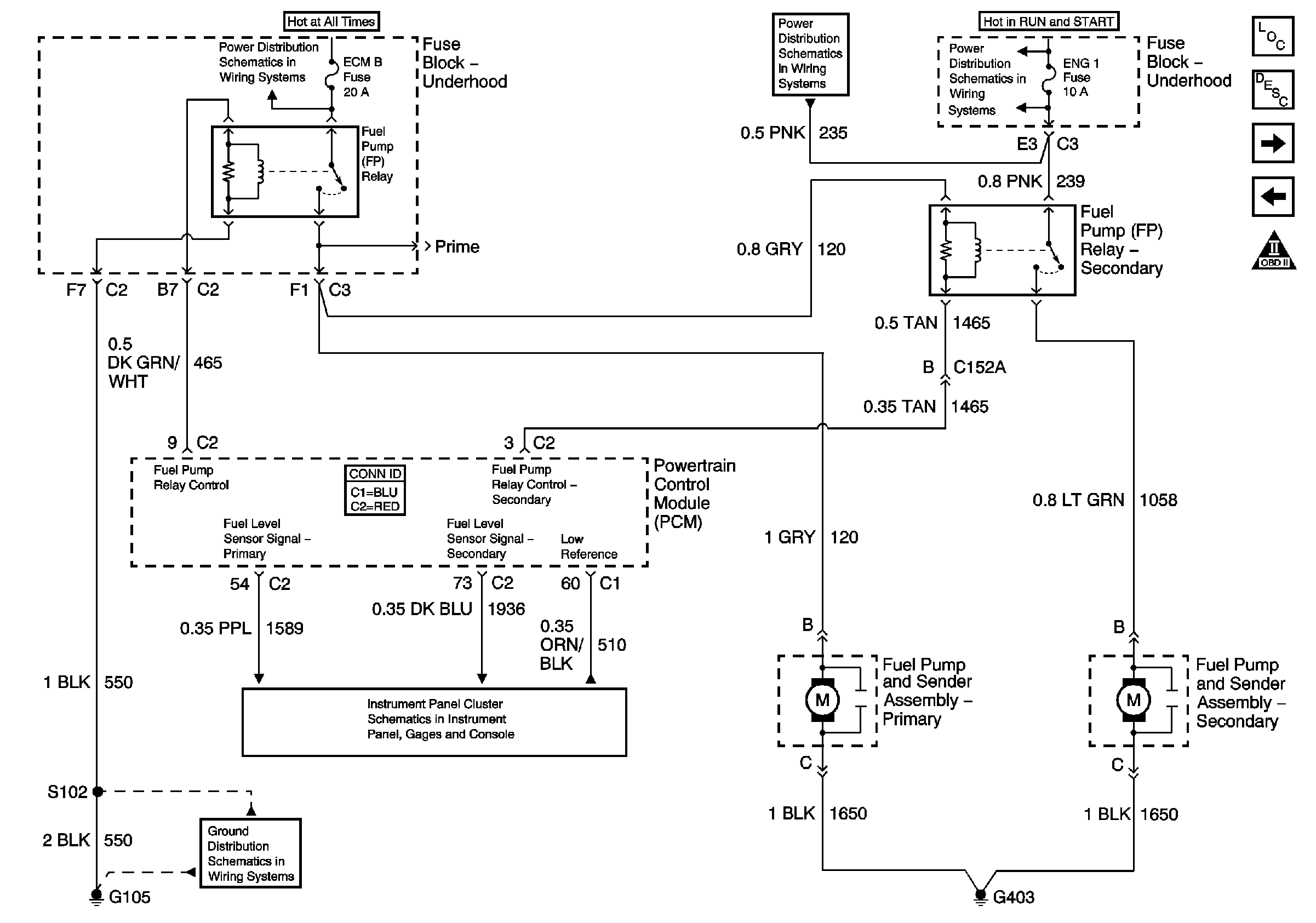
Fuel Controls - Fuel Pump Controls
Fuel Controls - Fuel Pump Controls
Master Electrical Component List
Powertrain Control Module Description
Fuel Controls - Fuel Injectors
Ignition Controls - Sensors
OBD II Symbol Description Notice
AIR, RADIO, ECM B, FRT HVAC, and CIGAR Fuses
O2 B, O2 A, ENG 1, and IGN E Fuses
O2 B, O2 A, ENG 1, and IGN E Fuses
G103, G105, and G106
Fuel Gauge and Fuel Pump and Sender Assembly