GM Service Manual Online
For 1990-2009 cars only
Makes
🢒
Cadillac
🢒
2002
🢒
Escalade EXT
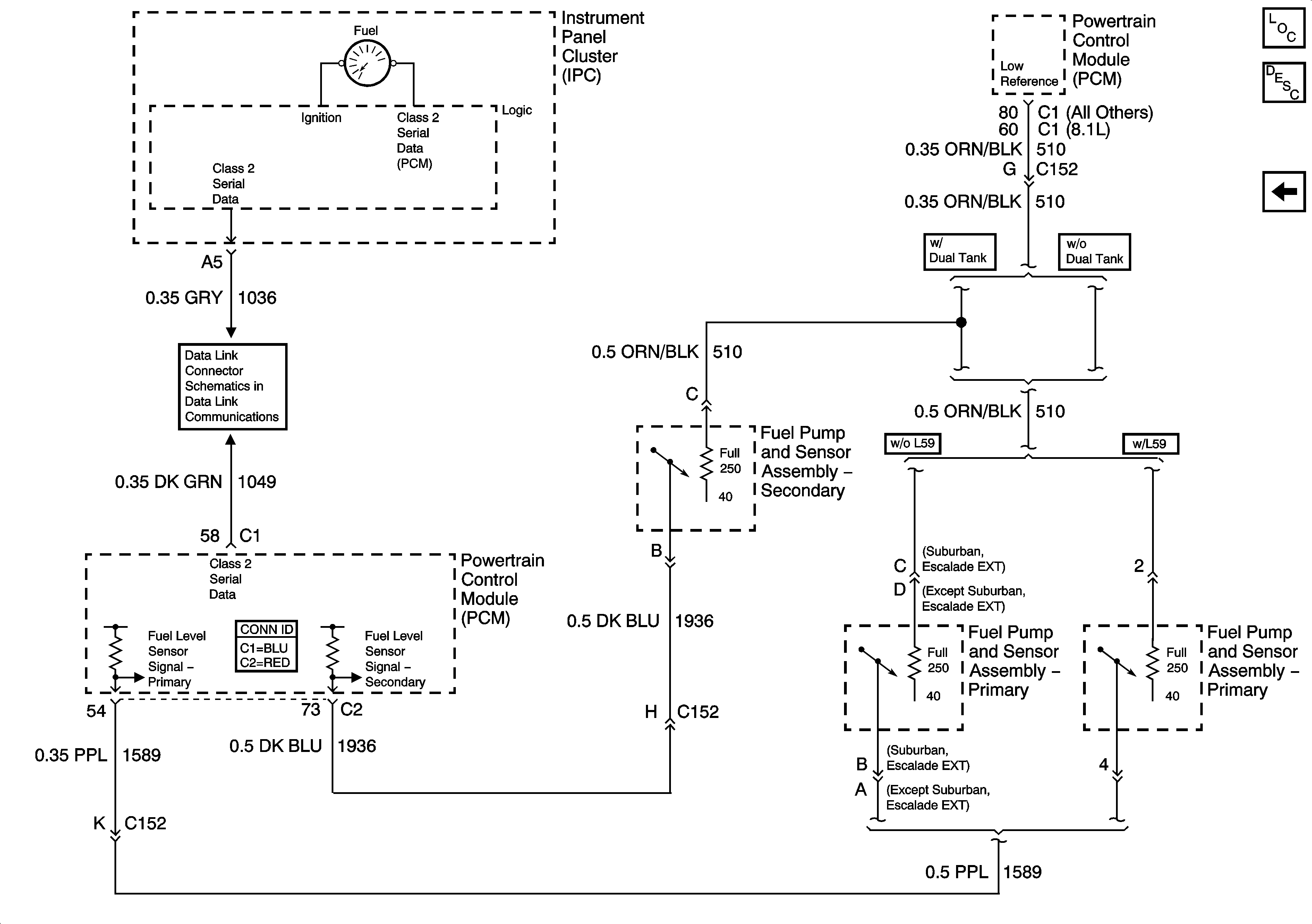
🢒 Fuel Gauge and Fuel Pump and Sender Assembly
Fuel Gauge and Fuel Pump and Sender Assembly
Fuel Gage and Fuel Pump and Sender Assembly
Master Electrical Component List
Instrument Cluster Description and Operation
Gages, VSS, and Engine Oil Signals
Splice Pack SP205