GM Service Manual Online
For 1990-2009 cars only
Makes
🢒
Cadillac
🢒
2002
🢒
Escalade EXT
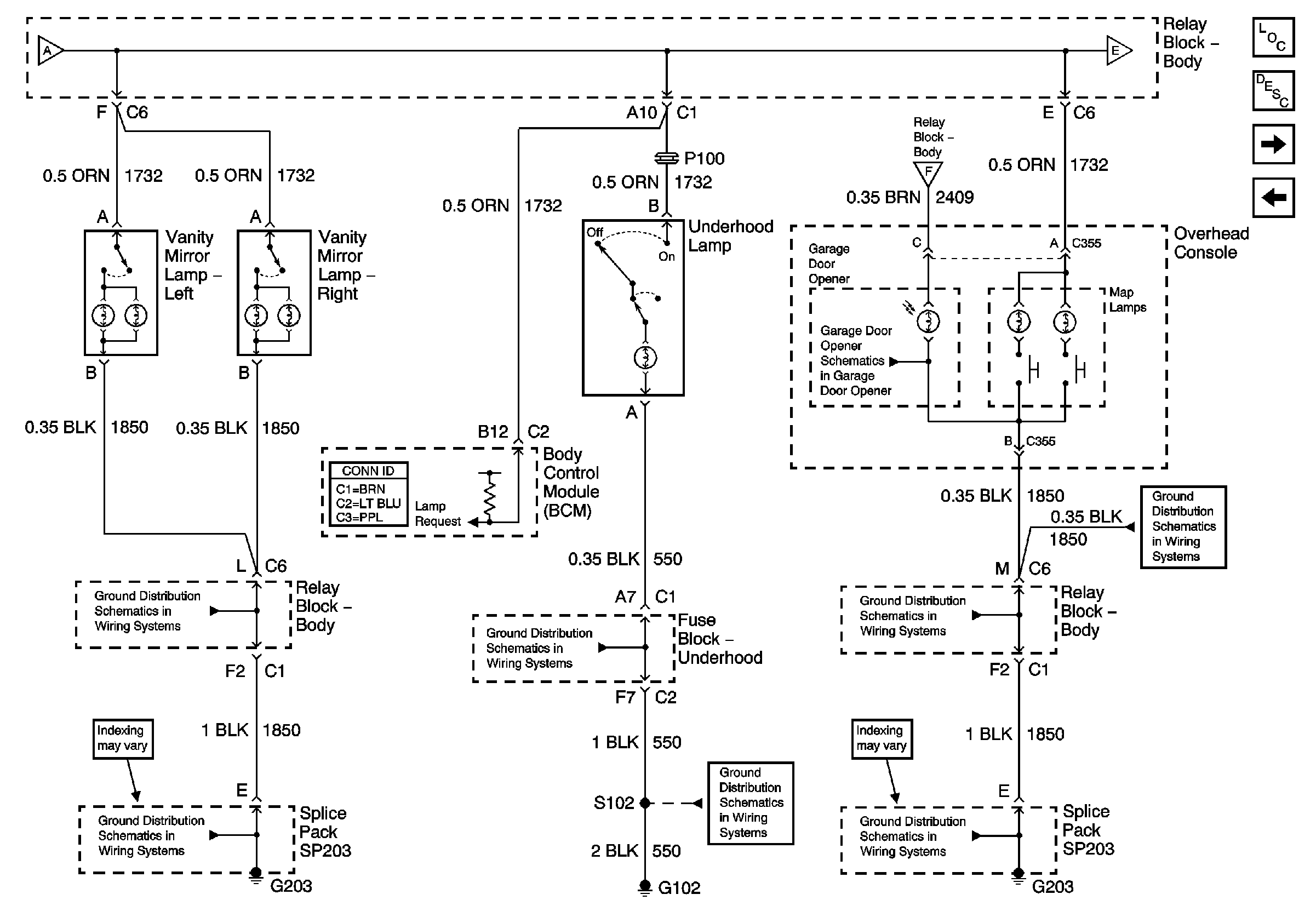
🢒 Courtesy Lamp Supply - 3 of 5
Courtesy Lamp Supply - 3 of 5
Courtesy Lamp Supply - 3 of 5
Master Electrical Component List
Interior Lighting Systems Description and Operation
Courtesy Lamp Supply - 4 of 5
Courtesy Lamp Supply - 2 of 5
Courtesy Lamp Supply - 1 of 5
Courtesy Lamp Supply - 4 of 5
Park Lamp Control, INTPRK and PARK LPS Fuse
Door Dimming
G203 - 3 of 4
G203 - 1 of 4
G104
G104
G203 - 4 of 4
G203 - 1 of 4
G203 - 4 of 4