GM Service Manual Online
For 1990-2009 cars only
Makes
🢒
Cadillac
🢒
2002
🢒
Escalade EXT
🢒 Power, Ground, and Switches
Power, Ground, and Switches
Power, Ground, and Switches - Base
Master Electrical Component List
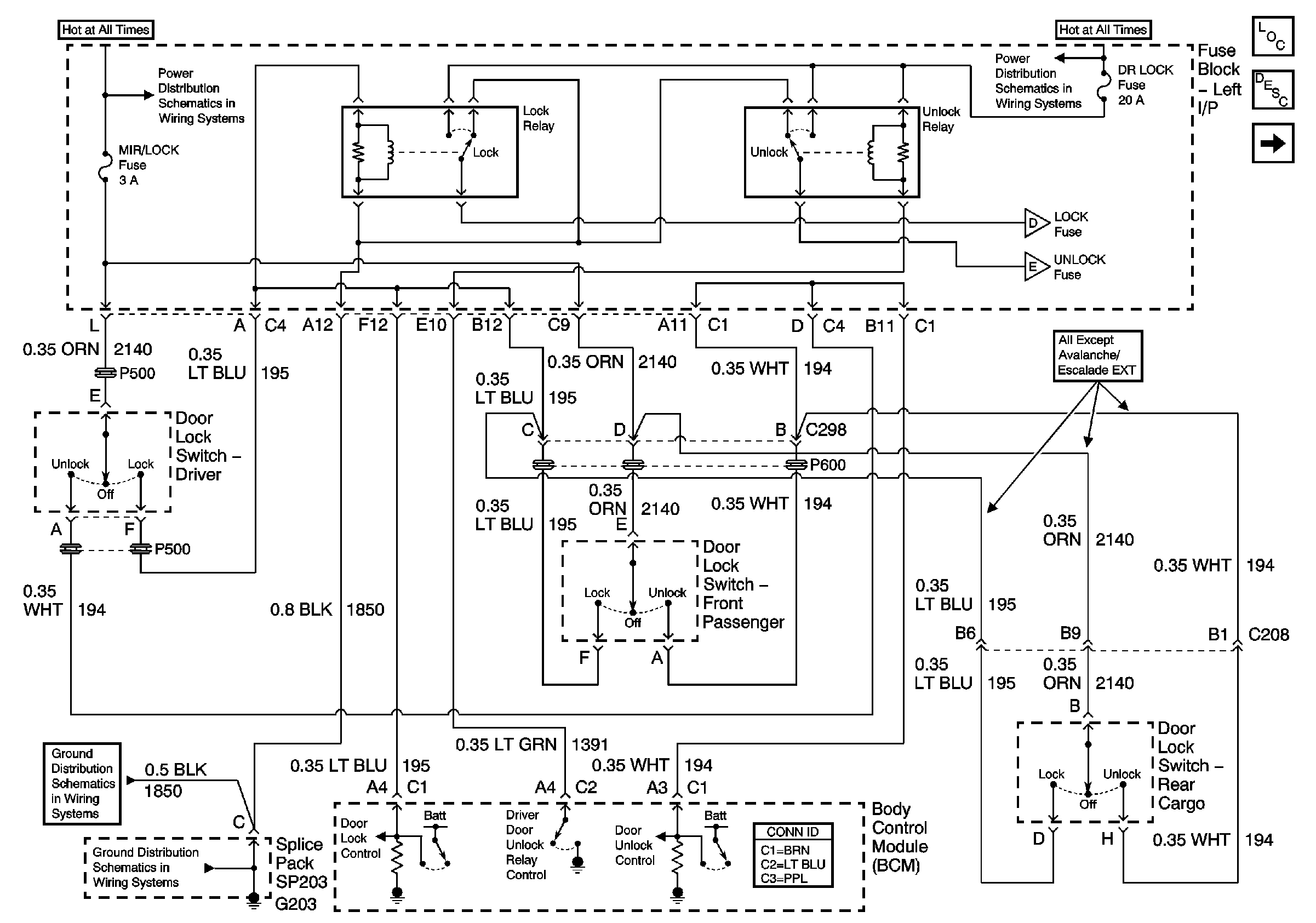
Power Door Locks Description and Operation
Actuators
IGNITION, RUN, ACCESSORY, and RAP Bus Bars - RAP #1 and RAP #2 Fuses
IGNITION, RUN, ACCESSORY, and RAP Bus Bars - RAP #1 and RAP #2 Fuses
Actuators
G203 - 1 of 4
G203 - 1 of 4