GM Service Manual Online
For 1990-2009 cars only
Makes
🢒
Cadillac
🢒
2002
🢒
Escalade EXT
🢒 Actuators
Actuators
Actuators - YE9 and Y91
Master Electrical Component List
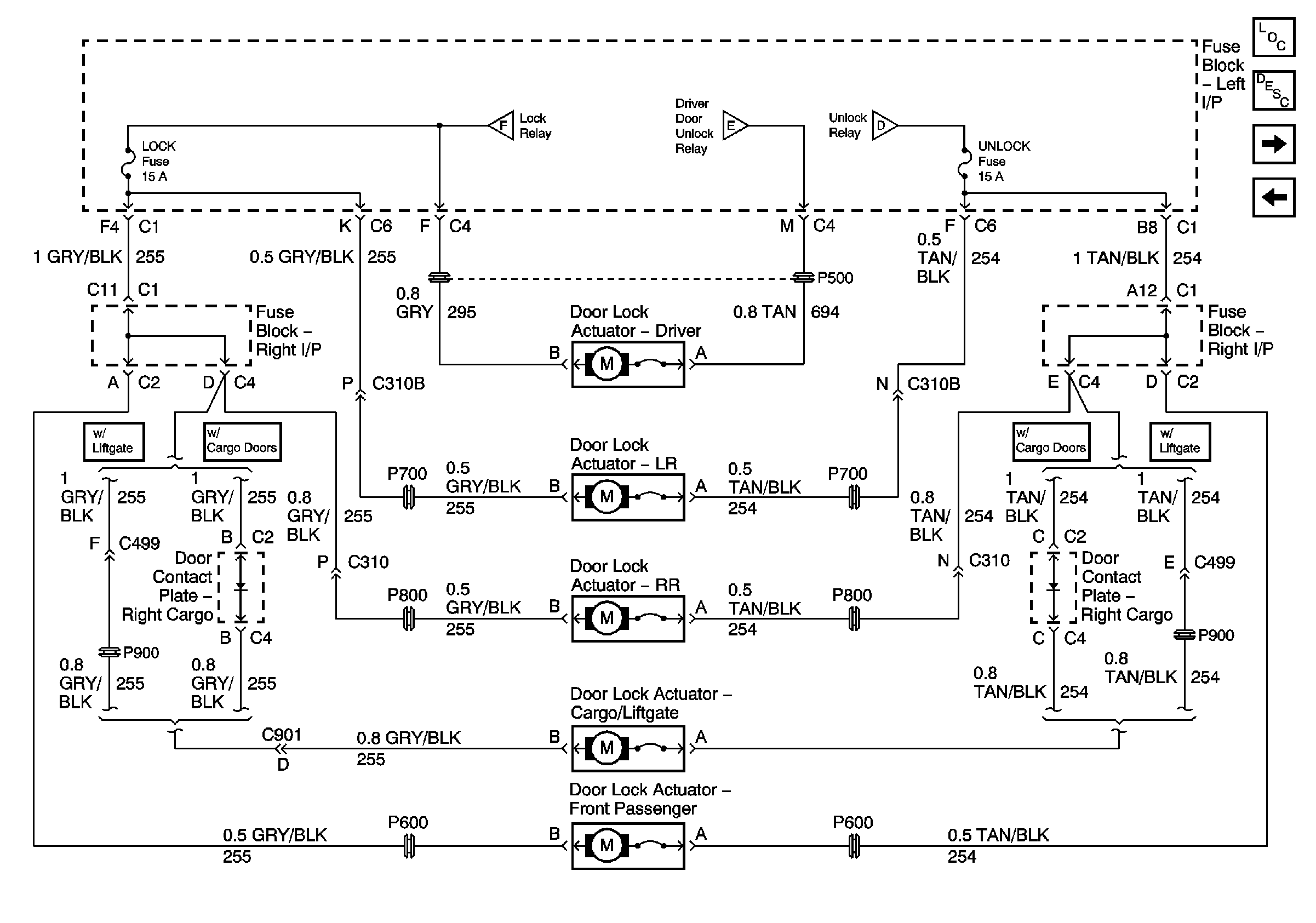
Power Door Locks Description and Operation
Body Control Module (BCM)
Power, Ground, and Switches
Power, Ground, and Switches
Power, Ground, and Switches
Power, Ground, and Switches