GM Service Manual Online
For 1990-2009 cars only
Makes
🢒
Cadillac
🢒
2002
🢒
Escalade EXT
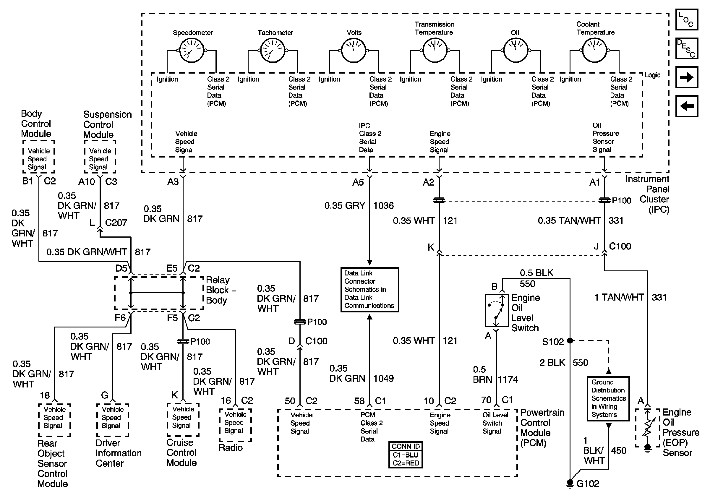
🢒 Gages, VSS, and Engine Oil Signals
Gages, VSS, and Engine Oil Signals
Gauges, VSS, and Engine Oil Signals
Master Electrical Component List
Instrument Cluster Description and Operation
Fuel Gauge and Fuel Pump and Sender Assembly
Indicators and Serial Data
Splice Pack SP205
G103, G105, and G106