GM Service Manual Online
For 1990-2009 cars only
Makes
🢒
Cadillac
🢒
2002
🢒
Escalade EXT
🢒 Vanity Mirror, Map and Courtesy Reading Lamps (Luxury)
Vanity Mirror, Map and Courtesy Reading Lamps (Luxury)
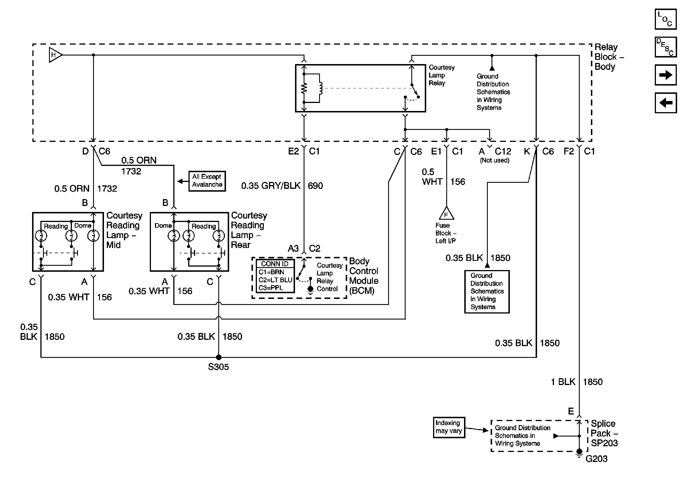
Courtesy Lamp Supply - 5 of 5 - Uplevel
Master Electrical Component List
Interior Lighting Systems Description and Operation
Parklamp Control, INT PRK and PARK LPS Fuses
Vanity Mirror, Map and Courtesy Reading Lamps (Uplevel)
I/P Compartment, Underhood and Map Lamps
G203 - 3 of 4
Courtesy Lamp Control
G203 - 3 of 4
G203 - 1 of 4