GM Service Manual Online
For 1990-2009 cars only
Makes
🢒
Cadillac
🢒
2002
🢒
Escalade EXT
🢒 Primary Air Delivery Controls - Sensors
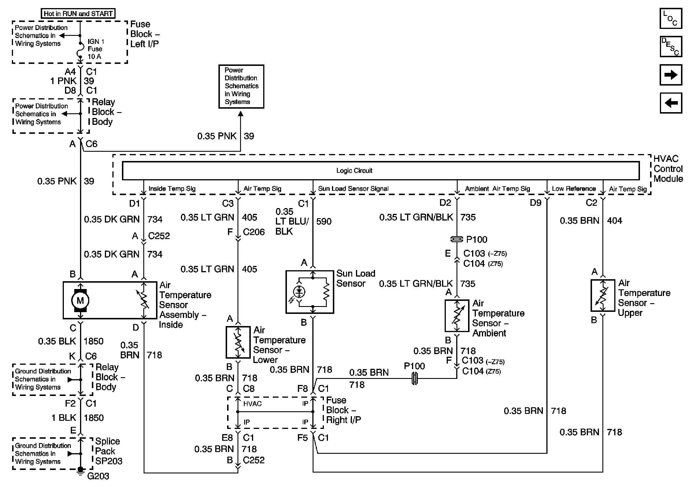
Primary Air Delivery Controls - Sensors
Primary Air Delivery Controls - Sensors
Master Electrical Component List
Air Temperature Description and Operation
Auxiliary Blower Controls (w/o Sunroof) - Tahoe/Yukon
Primary Air Delivery Controls - Actuators
IGN 1, SEO IGN, and AIR BAG Fuses
IGN 1, SEO IGN, and AIR BAG Fuses
IGN 1, SEO IGN, and AIR BAG Fuses
G203 - 3 of 4
G203 - 1 of 4