GM Service Manual Online
For 1990-2009 cars only
Makes
🢒
Cadillac
🢒
2002
🢒
Escalade EXT
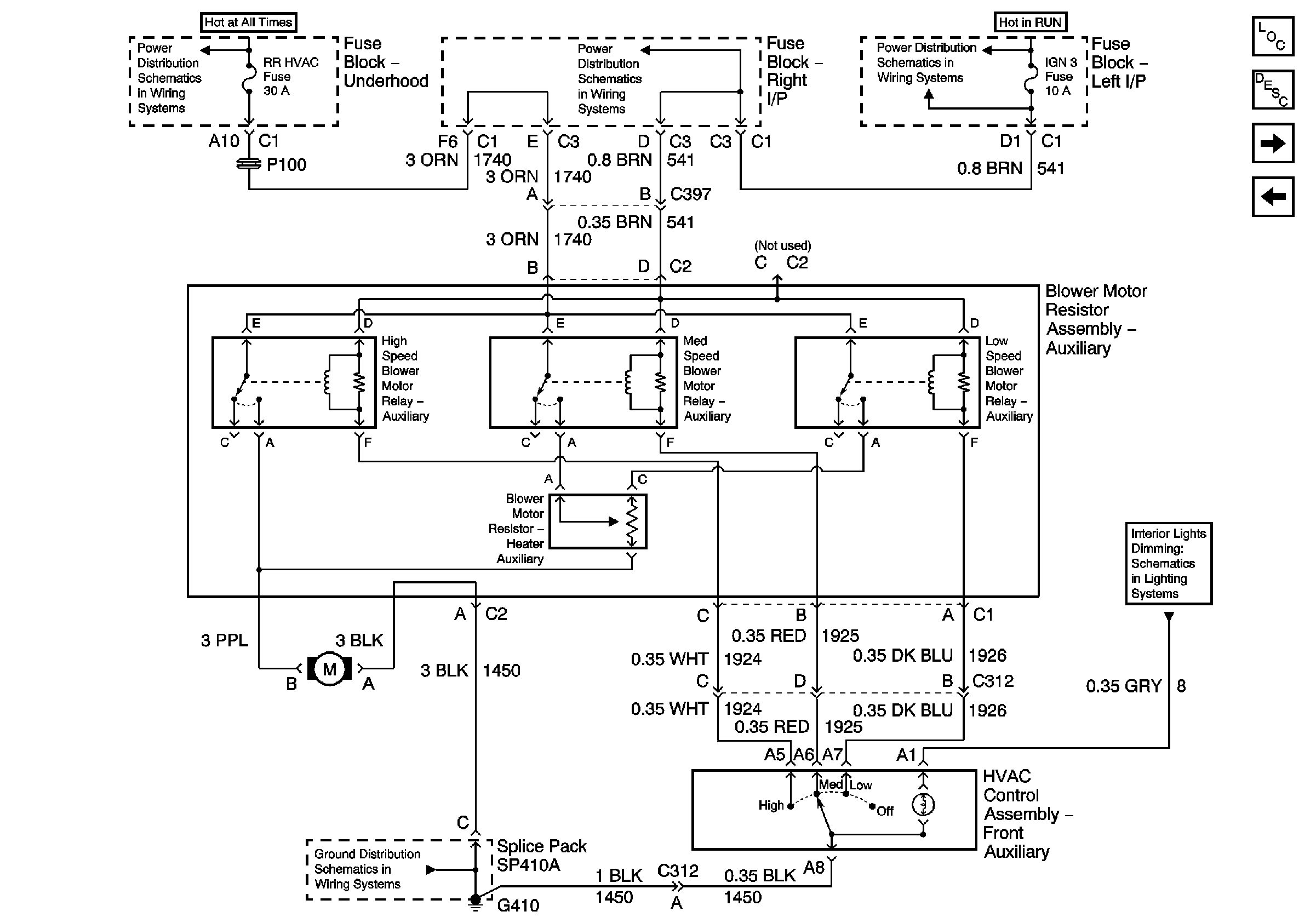
🢒 Auxiliary Blower Controls (w/Sunroof) - (w/Heat or A/C Only)
Auxiliary Blower Controls (w/Sunroof) - (w/Heat or A/C Only)
Auxiliary Blower Controls (w/Sunroof) - (w/Heat or A/C Only)
Master Electrical Component List
Air Delivery Description and Operation
Auxiliary Blower Controls (w/Sunroof) - (w/Heat and A/C)
Auxiliary Blower Controls (w/o Sunroof) - Suburban/Yukon XL
RR HVAC, EXP LPS, ATC, and RR WPR B Fuses
RR HVAC, EXP LPS, ATC, and RR WPR B Fuses
IGN 3 Fuse
HVAC Auxiliary Control
G410 - 1 of 2