GM Service Manual Online
For 1990-2009 cars only
Makes
🢒
Cadillac
🢒
2002
🢒
Escalade EXT
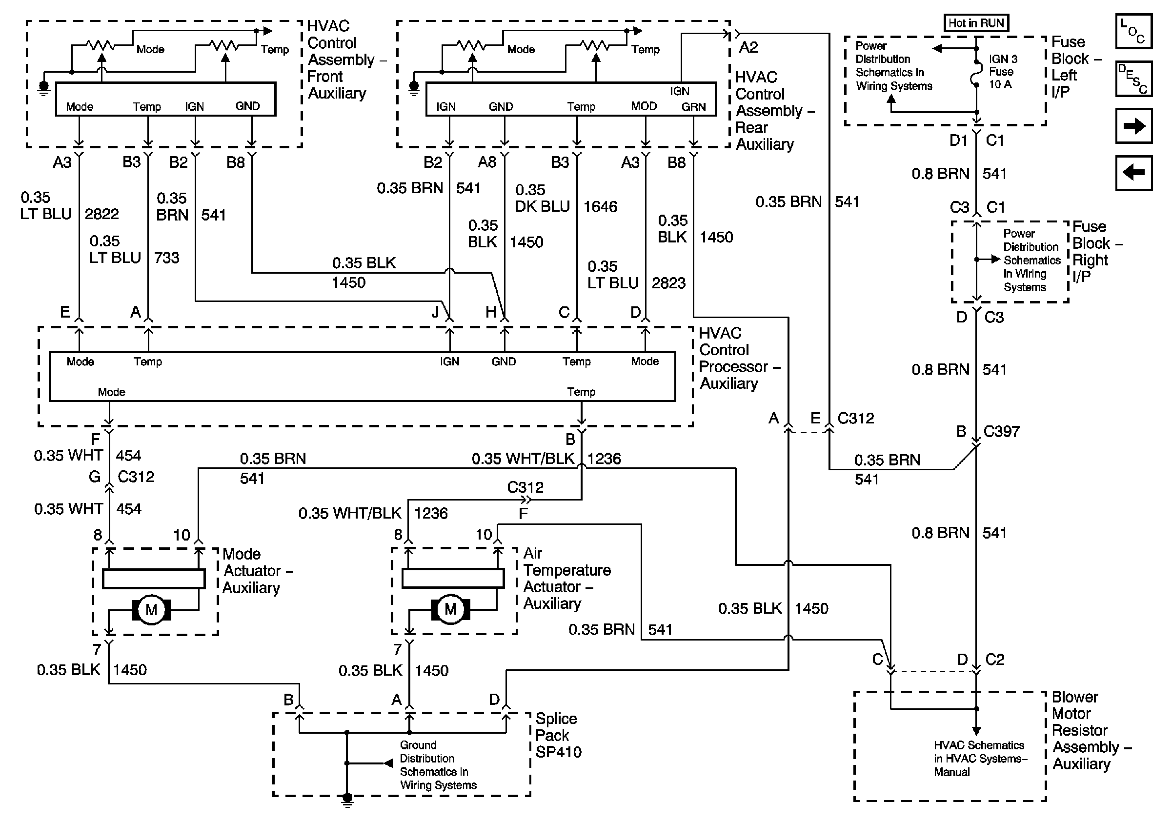
🢒 Auxiliary Air Delivery Controls - Air Delivery and Temperature Controls(w/o Sunroof)
Auxiliary Air Delivery Controls - Air Delivery and Temperature Controls(w/o Sunroof)
Auxiliary Air Delivery Controls - Air Delivery and Temperature Controls (w/o Sunroof)
Master Electrical Component List
Air Temperature Description and Operation
Manual Auxiliary Air Delivery Controls (w/Sunroof) and Automatic PrimarY Controls
Auxiliary Air Delivery Controls - Sensors and Actuators (w/o Sunroof)- Suburban/Yukon XL
IGN 3 Fuse
IGN 3 Fuse
G410 - 1 of 2
Auxiliary Blower Controls (w/o Sunroof) - Relays and Blower Motor (w/Heat and A/C)