GM Service Manual Online
For 1990-2009 cars only
Makes
🢒
Cadillac
🢒
2002
🢒
Escalade EXT
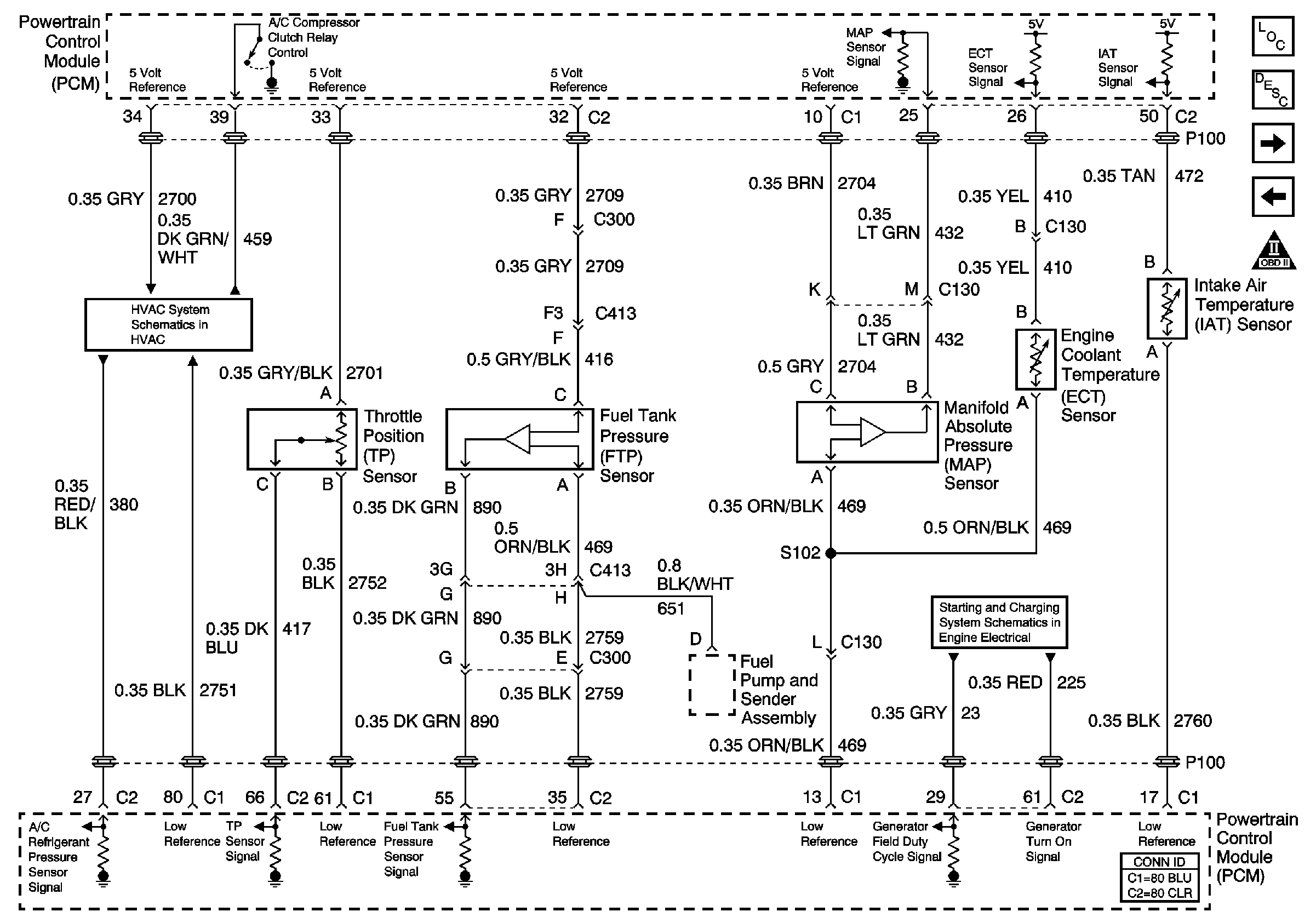
🢒 A/C, TPS, FTP, MAP, ECT, and IAC
A/C, TPS, FTP, MAP, ECT, and IAC
A/C, TPS, FTP, MAP, ECT, and IAC
Master Electrical Component List
Fuel System Description
Vehicle Speed Sensor
Powertrain Control Module Bussing
OBDII Symbol Description Notice
A/C Compressor Controls
Charging System