GM Service Manual Online
For 1990-2009 cars only
Makes
🢒
Cadillac
🢒
2002
🢒
Escalade EXT
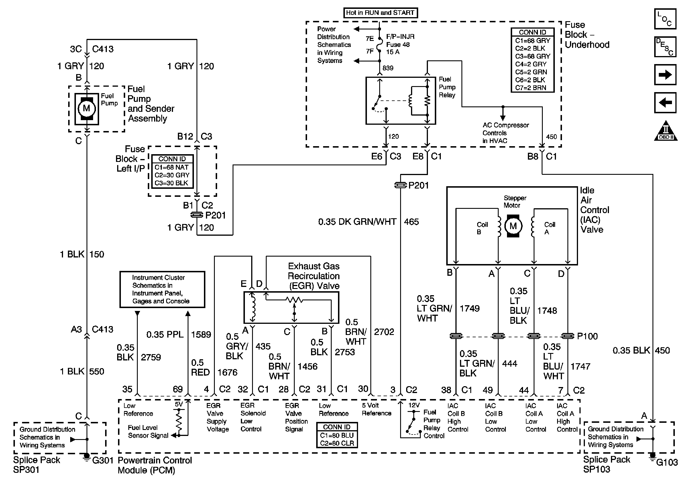
🢒 Fuel Delivery and IAC
Fuel Delivery and IAC
Fuel Delivery and IAC
Master Electrical Component List
Exhaust Gas Recirculation (EGR) System Description
Transmission References
Fuel Injectors
OBDII Symbol Description Notice
Indicators and Communication
IGN MOD, B/U LMP, PCM IGN, INJR, A/C BFC, AUTO TRANS, ABS IGN Fuses
SP103
SP301