GM Service Manual Online
For 1990-2009 cars only
Makes
🢒
Cadillac
🢒
2002
🢒
Escalade EXT
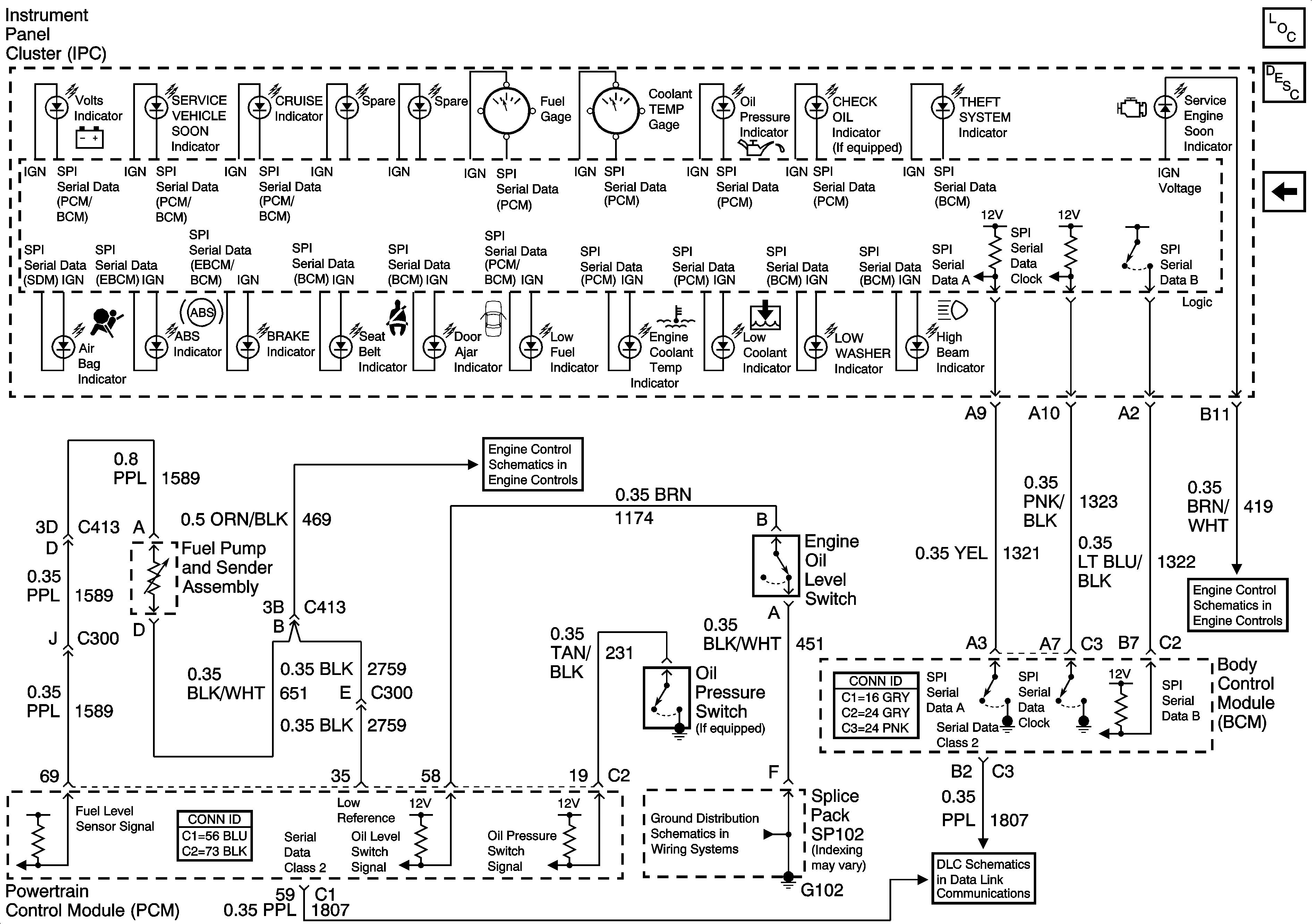
🢒 Indicators and Communication
Indicators and Communication
Indicators and Communication
Master Electrical Component List
Instrument Cluster Description and Operation
Power and Grounds
A/C, TPS, FTP, MAP, ECT, and IAC
PCM Powers and Grounds
SP102
Data Link Communication