GM Service Manual Online
For 1990-2009 cars only
Makes
🢒
Cadillac
🢒
2002
🢒
Escalade EXT
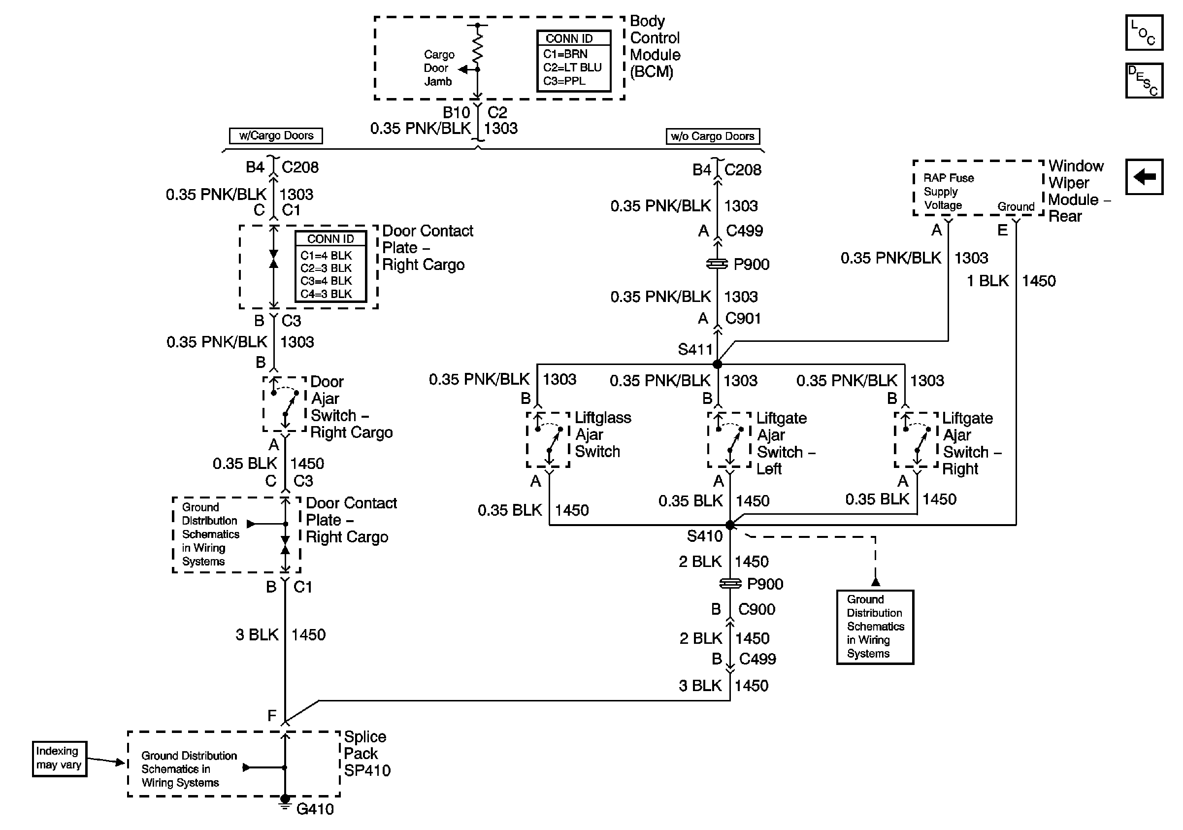
🢒 Cargo Door and Liftgate Ajar Switches
Cargo Door and Liftgate Ajar Switches
Cargo Door and Liftgate Ajar Switches
Master Electrical Component List
Interior Lighting Systems Description and Operation
Door Jamb Switches - RF, LR, RR - Uplevel
G410 2 of 2
G410 2 of 2
G410 2 of 2