GM Service Manual Online
For 1990-2009 cars only
Makes
🢒
Cadillac
🢒
2002
🢒
Escalade EXT
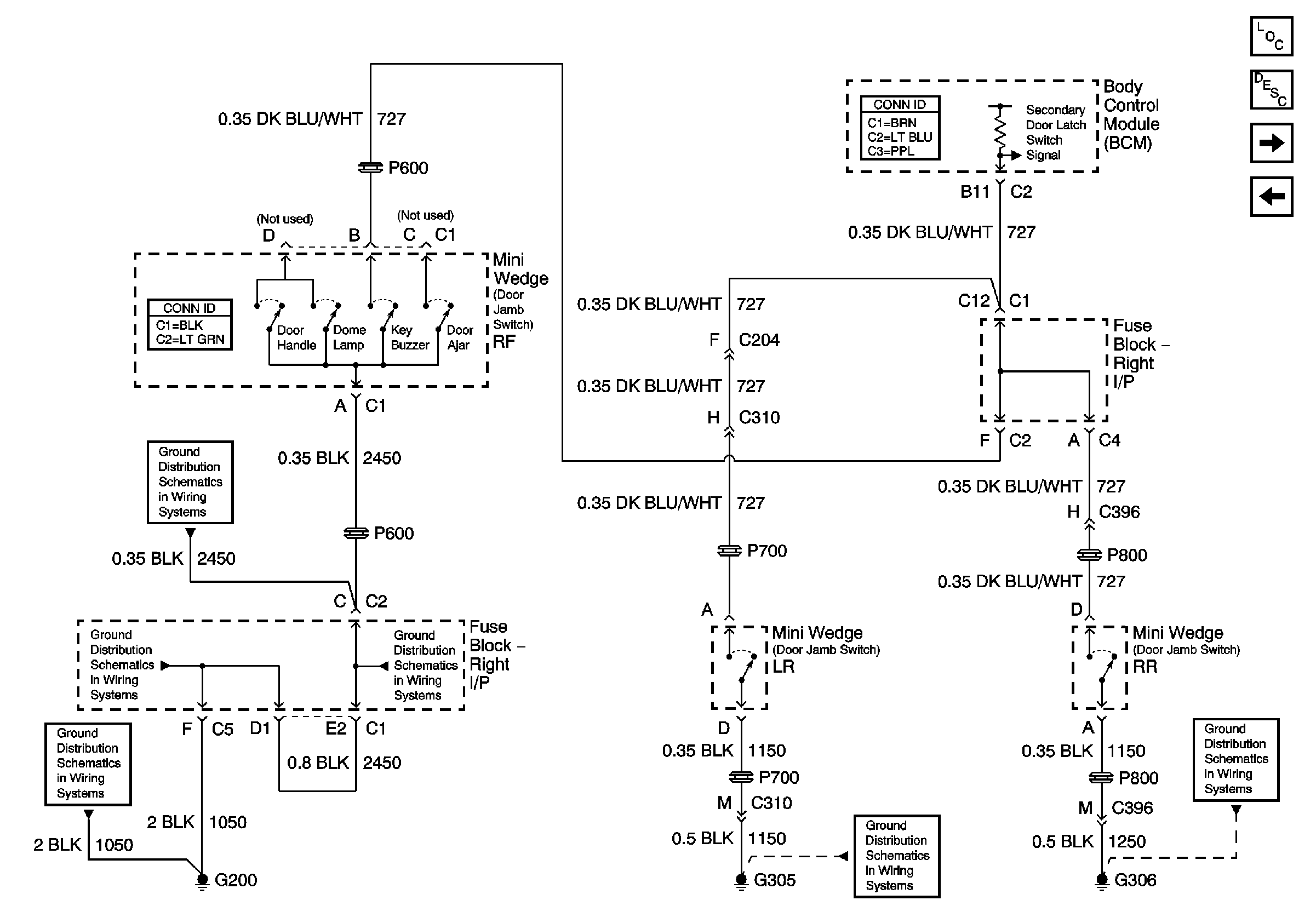
🢒 Door Jamb Switches - RF, LR, RR - Uplevel
Door Jamb Switches - RF, LR, RR - Uplevel
Door Jamb Switchs - RF, LR, RR - Uplevel
Master Electrical Component List
Interior Lighting Systems Description and Operation
Cargo Door and Liftgate Ajar Switches
Cargo Lamps and Door Jamb Switch - LF - Uplevel
G200 - 2 of 2
G200 - 1 of 2
G200 - 1 of 2
G200 - 2 of 2
G305
G306