GM Service Manual Online
For 1990-2009 cars only
Makes
🢒
Cadillac
🢒
2002
🢒
Escalade EXT
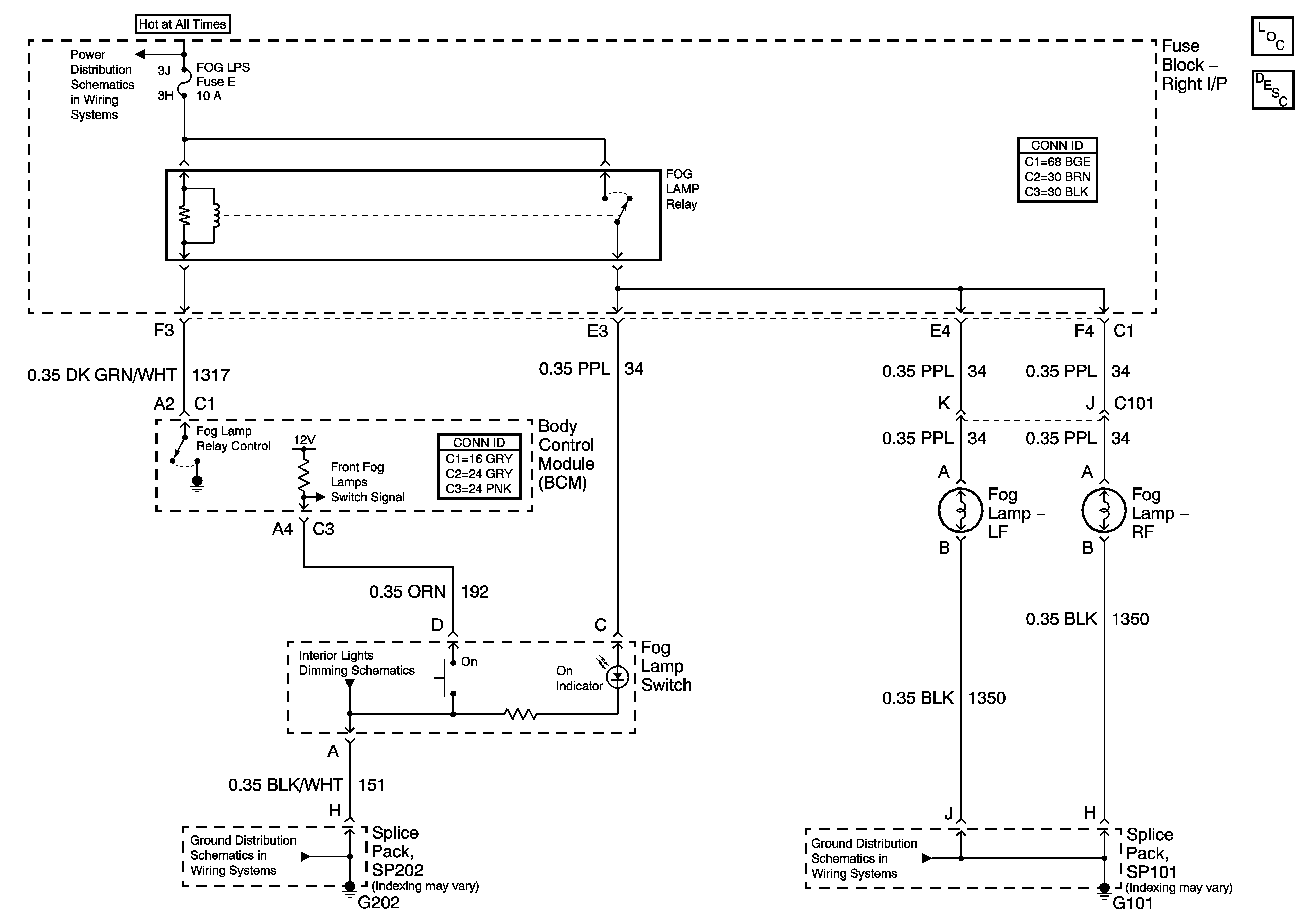
🢒 Fog Lights
Fog Lights
Master Electrical Component List
Exterior Lighting Systems Description and Operation
SP101
SP202
Panel Dimming
RR DEFOG, HORN, HI BLO MOT, RH BEC BATT, COOL FANS, and ABS Fuses